您现在的位置是:首页 > PLC技术 > PLC技术
采用PLC实现LG SV-iG5系列变频器多段速控制
来源:艾特贸易2017-06-04
简介现代电力电子技术的发展,变频器的性能日新月异,有调速范围宽、调速精度高、动态响应快、运行效率高、功率因数高、操作方便、便于同其他设备接口等一系列优点,使得变频器的
现代电力电子技术的发展,变频器的性能日新月异,有调速范围宽、调速精度高、动态响应快、运行效率高、功率因数高、操作方便、便于同其他设备接口等一系列优点,使得变频器的用途越来越广。 变频器分为交-交和交-直-交两种形式。交-交变频器可将工频交流直接转换成频率、电压均可控制的交流;交-直-交变频器则先把工频交流通过整流器转换成直流,然后再把直流转换成频率、电压均可控制的交流,其基本构成如图2-34所示。主要由主电路(包括整流器、中间直流环节、逆变器)和控制电路组成。
图2-34 变频器基本结构 整流器主要是将电网的交流整流成直流;逆变器是通过三相桥式逆变电路将直流转换任意频率的三相交流;中间环节又叫中间储能环节,由于变频器的负载一般为电动机,属于 1.变频器与PLC连接 利用PLC的开关量输出继电器触点对变频器的多功能输入端进行控制,实现三相异步电动机的正反转、多速有级控制。对大多数控制系统来说,这种多级速度控制方式不仅能满足其工艺要求,而且接线简单、抗干扰能力强,使用也方便。与利用模拟信号进行速度给定的方法相比较,成本低,并且不存在因外界噪声和内部漂移带来的一些问题。 变频器的多功能输入端子P1/P2/P3和多功能输出端子MO-MG的功能出厂时被设定在默认值。用户也可根据需要利用变频器的数字操作面板对这些端子的功能重新进行设定。用数字操作面板对参数I/O-12、I/O-13、I/O-14设定不同的值可定义相应的功能。多功能端子功能说明见表2-7。 表2-7 多功能端子功能说明
通过设定P1、P2、P3端子为“速度-L”,“速度-M”和“速度-H”,变频器可以在参数DRV-00、DRV-05、DRV-06、DRV-07、I/O-21、I/O-22、I/O-23、I/O-24中预先设定的频率上运行,运行速度最多可达8段。每段的速度范围均在初始频率FU1-22至最大频率FU1-20之间。运行在哪一段的多步速度由P1、P2、P3端子的组合决定。P1/P2/P3的状态与参数的对应关系见表2-8。表中“0”表示断开,即“OFF”;“1”表示接通,即“ON”。 表2-8 P1/P2/P3的状态与参数的对应关系
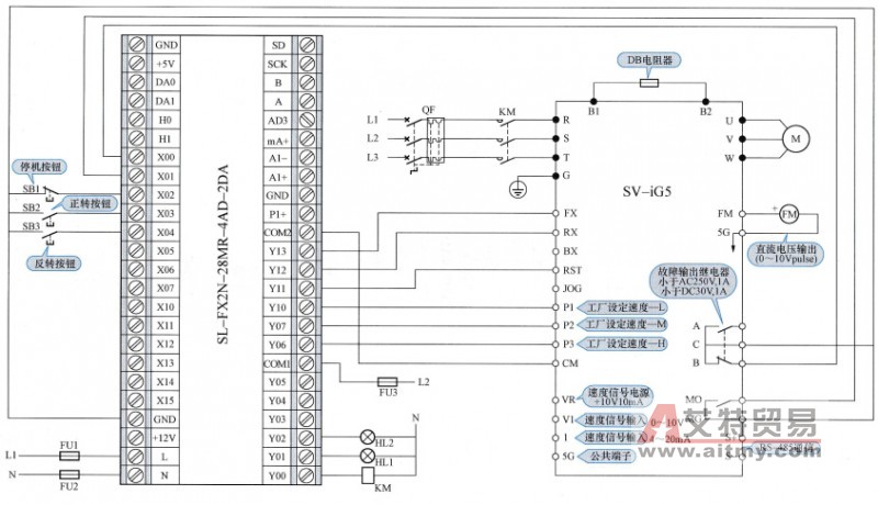
本节用3个按钮通过PLC控制变频器实现8段速度的自动变速运行。3个按钮是停止、正转、反转。当正转或反转按钮按下后,电动机按照频率40Hz、10Hz、35Hz、20Hz、50Hz、15Hz、30Hz、25Hz的顺序运行,每段运行30s,最后保持25Hz运转;直到停止按钮被按下,才停止运转。根据变频器控制端子的要求,PLC应有5个输出点。正、反转控制各1个,8段速度控制3个。 图2-45所示为利用三龙SL-FX2N-28MR-4AD-2DA型PLC与LG RV-iG5变频器实现8段速控制的电气原理图。图中变频器的型号为:SV-004iG-2,适用电机功率0.37kW; PLC的输入点X00接变频器故障输出端子,X01接变频器多功能输出端子MO-MG; X02接停止按钮SB1,X03接正转按钮SB2,X04接反转按钮SB3; PLC输出点Y00接变频器主电源接触器KM,Y01接变频器运行指示HL1,Y02接变频器故障指示灯HL2,Y06、Y07、Y10分别接变频器的多功能端子P3、P2、P1,Y11接复位端子RST,Y12、Y13分别接变频器的反转、正转端子。这里我们把多功能输出端子MO-MG定义为“变频器停止检测”。 变频器端子接线时须注意:①CM和SG端子相互之间隔绝,不要把这两个端子连接起来,同时不要把这些端子连接到电源地(后期产品已将SG端子改为CM);②使用屏蔽电缆或是双绞电缆为控制电路配线。而且这些电缆需要同主电源电路和其他高压电路,如220V继电器顺序电路等隔开,尽量远离。 端子P3、P2、P1在不同组合情况下对应的运行速度如图2-46所示,图中增加了寸动端子JOG,成为9段速控制。 2.变频器参数设定 由于我国电动机的额定频率都是50Hz,因此电机运行的频率范围为0.1~50Hz。我们在这个范围中取8个不同的值10Hz、15Hz、20Hz、25Hz、30Hz、35Hz、40Hz、50Hz分别设置到参数DRV-00、DRV-05、DRV-06、DRV-07、I/O-21、I/O-22、I/O-23、I/O-24中。给变频器上电,便可以进行设置参数了。 变频器实现多段速运行需要设置的参数有:DRV-01、DRV-02、DRV-03、FU1-20、FU2-30、FU2-31、FU2-31、I/O-21、I/O-22、I/O-23、I/O-24、I/O-25、I/O-26、I/O-27、I/O-28、I/O-29、I/O-30、I/O-31、I/O-32、I/O-33、I/O-34、I/O-35、I/O-36、I/O-37、I/O-38,还有I/O44。若待设参数值与“出厂值”数值相同,就不必进行该参数值设置了。
图2-45 PLC控制变频器实现多段速运行的电气原理图
图2-46 端子P3、P2、P1在不同组合情况下对应的运行速度 (1)设置参数DRV-00。 按动▲或▼键,使七段数码显示管显示想得到的参数代码“0.00”;再按下
键LCD的LED (SET)会点灯;然后按动▲或▼键,使七段数码显示管显示“10.0”;按下
键保存设定值。参数DRV-OO的设置步骤如图2-47所示。
图2-47 参数DRV-00值的设置步骤 (2)设置参数DRV-05 (stl)。 按动▲或▼键,使七段数码显示管显示想得到的参数代码“Stl”;再按下
键LCD的LED (SET)会点灯;然后按动▲或▼键,使七段数码显示管显示“15.0”;按下
键保存设定值。参数DRV-05值的设置步骤如图2-48所示。用相同方法设置参数DRV-06 (St2)和DRV-07 (St3)。 (3)设置参数I/O-21 (I21)。 按动▲或▼键,使七段数码显示管显示代码从“0.00”或“St3”到“IO”;再按下
键,数码显示管显示“10”;按动 或 键,使七段数码显示管显示想得到的参数“I 21”;再按下
键,七段数码显示管的LED (SET)会点灯;然后按动▲或▼键,使七段数码显示管显示“30.0”;按下
键保存设定值,七段数码显示管再次显示“I 21”;按动▲或▼键,使七段数码显示管显示“rt”;再按下
键,数码显示管显示“IO”。参数I/O-21值的设置步骤如图2-49所示。用相同方法设置参数I/O-22 (122)、I/O-23 (123)和I/O-24 (124)。
图2-48 参数DRV- 05值的设置步骤
图2-49 设置参数I/O-21值 (4)设置多段速加/减速时间。 多段速加/减速时间分别在参数I/O-25~I/O-38中设定。参照上面的设置方法步骤,将这些参数中的值均设定为Ss。 (5)多功能辅助触点输出定义。 多功能辅助触点输出定义在参数I/O-44中设定。参照上面的设置方法步骤,将其值设定为“13”。 3.PLC程序编制 根据表2-8及我们上节设定的8个频率值,得到多段速控制端子与运行频率的对应关系,见表2-9。 表2-9 8段速度与多段速控制端子对应表
当正转或反转按钮按下后,电动机按照频率40Hz、10Hz、35Hz、20Hz、50Hz、15Hz、30Hz、25Hz的顺序运行,每段运行30s,最后保持25Hz运转;直到停止按钮被按下,才停止运转。根据表4-10我们可以得到多功能输入端子P3P2Pl组合状态的变化次序是110→000→101→010→111→001→100→011。 用PLC内部的辅助继电器M1~M8分别代表10Hz~50Hz的8个频率,见表2-9。用T11~T17来作为运行时间的定时器。8段速运行曲线如图2-50所示。PLC控制变频器实现8段速运行的PLC梯形图如图2-51所示。
图2-50 8段速运行曲线 4.下载程序及监控 (1)程序录入。 打开存放编程软件的文件夹“FXGPWIN”,找到程序文件“FXGPWIN.EXE”,用鼠标左键双击该文件的图标
。在初始界面上点“文件”菜单,在弹出的下拉菜单中选“新文件”;或直接点快捷按钮“新文件”。桌面出现“PLC类型设置”对话框,在对话框中点“FX2N/FX2NC”,使其前面的单选框圆中出现一个黑点。设置完后点“确认”按钮。接着点“文件”下拉菜单,在菜单上选“另存为…”。在“File Save As”对话框中设置好存放文件的驱动器、文件夹、和文件名,其中对话框中“驱动器”下的文本框中选驱动器、“文件夹”下的路径框中设定文件夹、“文件名”下面的文本框中输入文件名“变频器多段速”(注意,后缀不能改),再点“确定”按钮,把新建的文件另存为“变频器多段速.pmw”。
图2-51 8段速运行的PLC梯形图 接着在工作空间内,把图2-51中的梯形图逐一录入,完毕后再次点保存按钮进行保存。 (2)程序下载。 用通信线将电脑与PLC连接好后,给PLC上电并启动电脑。
运行编程软件FXGPWIN,打开先前保存的应用程序文件“变多段.PMW。打开PLC上的“运行/停止”开关盖板,将开关拨到“停止”位置;用鼠标点下拉菜单“PLC”选“传送”下面的“写出”。由于我们的程序较短,不超过200行,因此在“PC程序写入”范围选择对话框中我们选“范围设置”,并把“终止步”设置为“200”,以加快下载速度。设置完后,点“确认”按钮,软件开始向PLC写入程序。 (3)运行监控。 应用程序下载完毕后,把PLC上的“运行/停止”开关拨到“运行”位置;在软件界面上点下拉菜单“监控/调试”,在菜单中选“开始监控”命令;将编程软件界面转为“监控”状态。此时PLC只有YOO吸合,使接触器KM吸合。待机状态的软件界面如图2-52所示,PLC面板状态如图2-53所示,变频器显示状态如图2-54所示。
图2-52 待机状态的软件界面 按下正转按钮SB2,PLC输出控制信号,除Y00吸合外,Y13、Y6、Y7也吸合。变频器使电动机开始以“40Hz”频率运转。多段速40Hz运行状态软件界面如图2-55所示,40Hz运行时PLC面板状态如图2-56所示,变频器显示如图2-57所示。运转30s后,电动机运行频率变为10Hz。
图2-53 待机状态PLC面板显示
图2-54 待机状态变频器显示
图2-55 多段速40Hz运行状态软件界面 电动机正向运行频率从40Hz到25Hz实现8段速运行过程中,PLC面板显示和变频器显示如图2-58所示。 5.程序解释 为了方便解释,我们把图2-51所示的梯形图分段进行解释。图2-59所示为正反转控制梯形图,图中圆圈内的数字是我们标的行号。 第1行变频器电源控制。特殊功能继电器的动合触点去控制变频器的电源接触器。程序开始运行,特殊继电器M8000触点就闭合,输出继电器Y00吸合。
图2-56 40Hz运行时PLC面板状态
图2-57 40Hz运行时变频器显示
图2-58 8段速运行过程 第2行变频器故障指示。变频器故障信号去控制指示灯。当变频器出现故障时,其输出继电器吸合,PLC输入点X01闭合,PLC输出继电器Y02吸合。 第3行正向运行控制。只要停止按钮未按钮下、变频器不在反转运行状态、变频器没有故障,即输入点X02、Y12、Y02处在闭合状态时,按下正向运行按钮,PLC的输入点X03闭合,正转控制的输出继电器Y13吸合。 第4行正向运行自保。 第5、6行反向运行控制和自保。与第3、4行类似。 图2-60所示为速度切换控制。图中当正转继电器Y13或反转继电器Y12吸合后,就会执行第7~23行的程序。 第7、8、9行固定速度7运转。当正转或反转按钮按下时PLC输入点X03或X04触点闭合,固定速度7辅助继电器M7吸合,并自保。同时时间继电器T11开始对运转时间进行计时。
图2-59 正反转控制梯形图
图2-60 速度切换控制 当设定的时间到后,时间继电器T11动作,其动合触点闭合,去控制下一段速度运转。动断触点断开,时辅助继电器M7和时间继电器T11释放。进入下一段速度运行。 第10、11行固定速度1运转。其余的类似,不再作解释。 图2-61所示为8段速控制。从中我们可以看到,当在固定速度2运行时,输出继电器只有Y10吸合。在固定速度4运行时,输出继电器就有Y10、Y07吸合。该梯形图实现了表2-8的功能。
图2-61 8段速控制
点击排行
PLC编程的基本规则
