您现在的位置是:首页 > PLC技术 > PLC技术
送料小车的PLC控制应用实例
来源:艾特贸易2017-06-04
简介例 2-3 自动循环送料小车工作示意图如图 2-16 所示。小车处于起始位置时 SQ0 受压。系统启动后,小车在起始位置装料, 20 s 后向右运动,到 SQ1 位置时 SQ1 受压小车御料, 12 s 后再返回
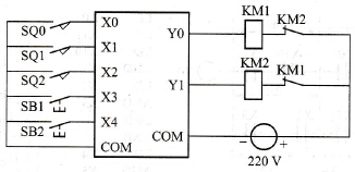
例2-3 自动循环送料小车工作示意图如图2-16所示。小车处于起始位置时SQ0受压。系统启动后,小车在起始位置装料,20 s后向右运动,到SQ1位置时SQ1受压小车御料,12 s后再返回起始位置,此时SQ0受压,小车装料,20 s后向右运动直到SQ2位置御料,(在S01位置上不停)16秒后返回起始位置。以后重复上述过程,直至有复位信号输入。 根据小车的工作循环过程可以画出SQ0、SQ1、SQ2及定时器的时间关系图,如图2 - 16所示。因为小车在第一次到达SQ1时要改变运动方向,而第二次和第三次到达SQ1时不改变运动方向,所以可以利用计数器的计数功能来决定到达SQ1时是否改变小车的运动方向。定时器用来记录装料时间。 由经验设计法可知小车控制属于一种双向控制,非常适合采用PLC控制,PLC控制的送料小车I/O分配见表2-3。送料小车I/O接线图如图2-17所示。
图2-16 送料小车工作示意图 表2-3 I/O分配表
图2-17 送料小车I/O接线图
图2-18 送料小车控制 送料小车控制程序梯形图及指令表如图2-18所示,其说明如下: 中间辅助继电器M100作为系统工作开始继电器,启动信号X3使M100=ON,复位信号X4使M100=OFF。只有当M100=ON时,小车才能循环工作,当M100=OFF时,小车回到起始位置后停止工作。 当启动信号X3 =1时,小车位于SQ0开始定时装料,20 s后定时器接通,小车右行(即Y0得电)。当小车离开SQ0时,定时器T0复位,但Y0的自锁功能使Y0得电,小车继续右行。 小车行至SQ1时,计数器减1,由于SQ1的动断触点断开,使Y0失电,小车停止右行。 小车到达SQ1处使SQ1的动合触点闭合,T1得电延时12 s(御料),使Y1得电小车左行。Y1的自锁功能使得小车左行直至达到SQ0位置。 定时器T0重新定时,小车第二次装料,之后小车右行,均与第一次相同。但是当小车行至SQ1时,计数器减1至零,使C1的动合触点接通,因此小车继续右行直至达到SQ2位置,SQ2的动断触点断开,Y0失电,小车停止右行。SQ2动合触点接通T2,16秒后T2、C1的动合触点接通Y1,小车再次改变为左行回到起始点SQ0处。 SQ2与Y1的动合触点串联使计数器C1复位,为下一次循环作准备。小车左行至SQ0位置停止,等待下一次循环。
点击排行
PLC编程的基本规则
