您现在的位置是:首页 > PLC技术 > PLC技术
S7-200系列PLC的硬件接线简介
来源:艾特贸易2017-06-04
简介PLC 的接线包括电源接线、输入端接线和输出端接线,这 3 种接线的具体形式可从 S7-200 系列 PLC 型号看出来。例如, CPU221 DC/DC/DC 型 PLC 采用直流电源作为工作电源,输入端接直流电源,
PLC的接线包括电源接线、输入端接线和输出端接线,这3种接线的具体形式可从S7-200系列PLC型号看出来。例如,CPU221 DC/DC/DC型PLC采用直流电源作为工作电源,输入端接直流电源,输出端接直流电源(输出形式为晶体管);CPU AC/DC/继电器型PLC采用交流电源作为工作电源,输入端接直流电源,输出形式为继电器,输出端接直流、交流电源均可。 S7-200系列PLC接线时可按以下规律: 1)工作电源有直流电源供电和交流电源供电方式。 2) PLC输出形式有继电器输出、晶体管(场效应晶体管或普通晶体管)输出和晶闸管输出。对于继电器输出形式,负载接交流电源或直流电源均可;对于晶体管输出形式,负载只能接直流电源;对于晶闸管输出形式,负载只能接交流电源。 3)输入端可接外部提供的24V直流电源,也可接PLC本身输出的24V直流电压。 1.DC/DC/DC接线 图1-14为CPU221 DC/DC/DC型PLC的接线图。该型号PLC的电源端子L+、M接24V的直流电源;输出端负载一端与输出端子0.0~0.3连接,另一端连接在一起并与输出端直流电源的负极和M端连接,输出端直流电源正极接L+端子,输出端直流电源的电压值由输出端负载决定;输入端子分为两组,每组都采用独立的电源,第一组端子(0.0~0.3)的直流电源负极接端子1M,第二组端子(0.4、0.5)的直流电源负极接端子2M;PLC还会从电源输出端子L+、M输出24V直流电压,该电压可提供给外接传感器作为电源,也可作为输入端子的电源。
图1-14 CPU221 DC/DC/DC型PLC的接线图 图1-15所示为CPU226DC/DC/DC型PLC的接线图,从图中可以看出,它与CPU221 DC/DC/DC型PLC的接线方法基本相同,区别在于CPU226 DC/DC/DC输出端采用了两组直流电源,第一组直流电源正极接1L+端,负极接1M端,第二组直流电源正极接2L+端,负极接2M端。
图1-15 CPU226 DC/DC/DC型PLC的接线图 2.AC/DC/继电器接线 图1-16a所示为CPU221 AC/DC/继电器型PLC的接线图。该型号PLC的工作电源采用120V或240V交流电源供电,该电源电压的允许范围为85~264V,交流电源接在L1、N端子上;输出端子分为两组,采用两组电源,由于采用继电器输出形式,故输出端电源既可为交流电源,也可是直流电流,当采用直流电源时,电源的正极分别接1L、2L端,采用交流电源时不分极性;输入端子也分为两组,采用两组直流电源,电源的负极分别接1M、2M端。 如果使用的输入端子较少,也可让PLC输出的24V直流电压为输入端子供电。在接线时,将1M、M端接在一起,L+与输入设备的一端连接.具体如图1-16b所示。
图1-16 CPU221 AC/DC/继电器型PLC的接线图 图1-17所示为CPU226 AC/DC/继电器型PLC的接线图,它与CPU221 AC/DC/继电器型PLC的接线方法基本相同。
图1-17 CPU226 AC/DC/继电器型PLC的接线图 3.S7-200 CPU与扩展模块的总接线 S7-200 CPU与扩展模块在交流电源中的总接线如图1-18a所示,在直流电源中的总接线如图1-18b所示,从图1-18b可以看出,直流电源是由AC/DC变换器将交流电源转换而来的。
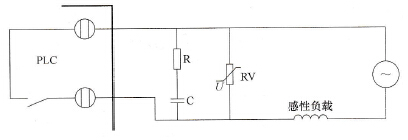
图1-18 S7-200 CPU与扩展模块的总接线 4.输出端保护电路 当PLC的输出端接感性负载(如线圈)时,在端子内部器件断开时线圈会产生很高的反峰电压,易击穿端子内部器件。为了安全起见,可在输出端接感性负载时接保护电路。 (1)直流感性负载保护电路 当PLC输出端接直流感性负载时,如图1-19所示,可在负载两端并联保护二极管或RC元件来吸收反峰电压。 对于晶体管或继电器输出型PLC,可在感性负载两端并联保护二极管,以图1-19a为例,当晶体管由导通转为截止时,感性负载两端马上产生很高的左负右正反峰电压,该电压通过电源加到晶体管两端,易击穿晶体管,并联保护二极管(如1N4001)后,感性负载两端的反峰电压使二极管导通,反峰电压迅速降低。如果需要提高晶体管的关断速度,可在保护二极管两端再串联一个稳压二极管,如图1-19b所示,对于继电器输出型PLC,也可在感性负载两端并联RC元件,如图1-19c所示,反峰电压会因对RC元件充电而迅速降低。 (2)交流感性负载保护电路
图1-19 PLC直流感性负载保护电路 当PLC输出端接交流感性负载时,可接RC元件或峰值抑制器(如压敏电阻)来吸收峰值电压,如图1-20所示。在输出端子内部器件断开时,感性负载两端也会产生峰值电压(其极性不定),若峰值电压与交流电源极性一致,两者电压会叠加来作用于输出端子内部开关器件,易损坏开关器件,如果采用图示的方式并联RC元件和压敏电阻,感性负载产生的瞬时峰值电压会对RC元件充电而降低,或击穿压敏电阻而泄放高压。
图1-20 PLC交流感性负载保护电路
点击排行
PLC编程的基本规则
