您现在的位置是:首页 > PLC技术 > PLC技术
S7-200系列PLC的通信接口标准
来源:艾特贸易2017-06-04
简介PLC 采用串行异步通信方式,通信接口主要有三种标准: RS232C 、 RS422A 和 RS485 。 1 . RS232C 接口 RS232C 接口又称 COM 接口,是美国 1969 年公布的串行通信接口,至今在计算机和 PLC 等工业
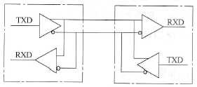
PLC采用串行异步通信方式,通信接口主要有三种标准:RS232C、RS422A和RS485。 1.RS232C接口 RS232C接口又称COM接口,是美国1969年公布的串行通信接口,至今在计算机和PLC等工业控制中还广泛使用。RS232C标准有以下特点: 1)采用负逻辑,用5—15V表示逻辑“0”,用-15~-5表示逻辑“1”。 2)只能进行一对一方式通信,最大通信距离为15m,最高数据传输速率为20kbit/s。 3)该标准有9针和25针两种类型的接口,9针接口使用更广泛,PLC采用9针接口。 4)该标准的接口采用单端发送、单端接收电路,如图6-5所示,这种电路的抗干扰性较差。 2.RS422A接口 RS422A接口采用平衡驱动差分接收电路,如图6-6所示,该电路采用极性相反的两根导线传送信号,这两根线都不接地,当B线电压较A线电压高时,规定传送的为“1”电平,当A线电压较B线电压高时,规定传送的为“o”电平,A、B线的电压差可从零点几伏到近10V。采用平衡驱动差分接收电路作接口电路,可使RS422A接口有较强的抗干扰性。 RS422A接口采用发送和接收分开处理,数据传送采用4根导线,如图6-7所示,由于发送和接收独立,两者可同时进行,故RS422A通信是全双工方式。与RS232C接口相比,RS422A的通信速率和传输距离有了很大的提高,在最高通信速率10Mbit/s时最大通信距离为12m,在通信速率为100kbit/s时最大通信距离可达1200m,一台发送端可接12个接收端。
图6-5 RS232C接口
图6-6 平衡驱动差分接收电路
图6-7 RS422A接口的电路结构 3.RS485接口 RS485是RS422A的变形,RS485接口只有一对平衡驱动差分信号线,如图6-8所示,发送和接收不能同时进行,属于半双工通信方式。使用RS485接口与双绞线可以组成分布式串行通信网络,如图6-9所示,网络中最多可接32个站。
图6-8 RS422A接口的电路结构
图6-9 RS422A与双绞线组成分布式串行通信网络 RS485、RS422A、RS232C接口通常采用相同的9针D形连接器,但连接器中的9针功能定义有所不同,故不能混用。当需要将RS232C接口与RS422A接口连接通信时,两个接口之间需有RS232C/RS422A转换器,转换器结构如图6-10所示。
图6-10 RS232C/RS422A转换器结构
点击排行
PLC编程的基本规则
