您现在的位置是:首页 > PLC技术 > PLC技术
自动售货机的控制的PLC梯形图设计实例
来源:艾特贸易2017-08-17
简介该自动售货机的动作如下: (1) 此自动售货机可以投入 1 元、 5 元和 10 元硬币。 (2) 自动售货机可售两种饮料,果汁每瓶 12 元,啤酒每瓶 15 元。 (3) 当投入的硬币总值等于或超过 12 元时
该自动售货机的动作如下:
(1)此自动售货机可以投入1元、5元和10元硬币。
(2)自动售货机可售两种饮料,果汁每瓶12元,啤酒每瓶15元。
(3)当投入的硬币总值等于或超过12元时,果汁指示灯亮;当投入的硬币总值等于或超过15元时,果汁和啤酒指示灯都亮。
(4)当果汁指示灯亮时,按下果汁按钮,则售货机输出果汁。
(5)当啤酒指示灯亮时,按下啤酒按钮,则售货机输出啤酒。
(6)若投入的硬币总值超过所选饮料的价值时,售货机计算出余额,并且以币值为一元的硬币按照余额退还给买者。
根据上述售货机的动作,可以想象售货机应该有投入硬币币值计算、确认可以购买的饮料种类、根据选择输出饮料、计算余额、根据余额输出硬币给买者等步骤。该例的I/O安排见表6-3。
表6-3 本实例的I/O安排

梯形图中还使用了DM数据区:
DM0000:5元硬币的总钱数
DM0005:10元硬币的总钱数
DMO010:5元和10元的总钱数
DM0015:1元、5元和10元的总钱数
DM0020:余额
另外,还使用了一些输出触点用作工作位:
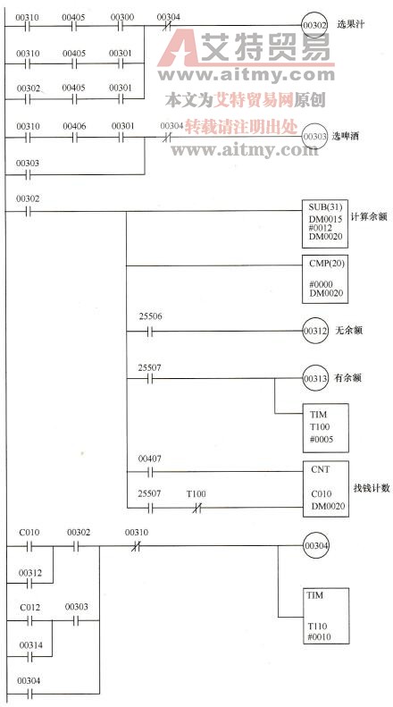
00312、00314表示无余额,00313和00315表示有余额。00310在售货机通电后得电,并进入投币、总钱数计算和确认步。00304是附加步,该步用于输出饮料后,或找款后延迟一段时间,返回初始步。
图6-27显示的是自动售货机的梯形图,其中图6-27(a)是硬币计数、总钱数计算和确认可选择饮料种类的梯形图。图6-27 (b)是果汁、啤酒选择、果汁余额计算和找钱梯形图。图6-27(c)是啤酒余额计算和找钱的梯形图。

图6-27(a) 本实例的硬币计数、总钱数计算和确认可选择饮料种类的梯形图

图6-27(b) 本实例的硬币计数、总钱数计算和确认可选择饮料种类的梯形图

图6-27(c) 本实例的硬币计数、总钱数计算和确认可选择饮料种类的梯形图
点击排行
PLC编程的基本规则
