您现在的位置是:首页 > PLC技术 > PLC技术
C200Hα系列PLC梯形图逻辑块指令串联
来源:艾特贸易2017-08-18
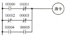
简介图 5-11 所示的梯形图要转换成助记符时需要逻辑块指令的串联。 从梯形图可以得到梯形图执行条件的逻辑表达式为 条件逻辑的运算结果 =(IR00000+ ) · ( +IR00003) · (IR00004+IR0005) 可以看出这
图5-11所示的梯形图要转换成助记符时需要逻辑块指令的串联。
从梯形图可以得到梯形图执行条件的逻辑表达式为
条件逻辑的运算结果=(IR00000+
)·(
+IR00003)·(IR00004+IR0005)
可以看出这是一个“或与”表达式。
图5-11所示的梯形图可以转换成如表5-1所列的助记符程序,其中左侧表的助记符书写方式可以连接任意多个逻辑块,而右侧的表的助记符书写方式只能连接8个逻辑块。
图5-12所示的梯形图可以使用逻辑块指令转换成助记符程序。

图5-11 串联的逻辑块指令

图5-12 并联逻辑块指令的使用
表5-1 图5-11所示梯形图转换成的助记符程序

从梯形图可以得到梯形图执行条件的逻辑表达式为
条件逻辑的运算结果=(IR00000·
)+(
·
)+(IR00004·IR00005)
可以看出这是一个“与或”表达式。图5-12所示的梯形图可以转换成表5-2所列的助记符程序。
表5-2 图5-12所示梯形图转换成的助记符程序

在助记符程序中,首先用ORLD指令将逻辑块IR00000·
和
·IR00003“或”起来,然后再把“或”的结果使用OR LD指令和IR00004·IR00005“或”起来,见表5-2中的左侧表。
点击排行
PLC编程的基本规则
