您现在的位置是:首页 > PLC技术 > PLC技术
C200Hα系列PLC的输入单元可以连接的设备
来源:艾特贸易2017-08-30
简介1) 无源触点输出的设备 所谓无源触点输出设备,就是按钮或是继电器的常开或常闭触点。由于 PLC 输入单元的输入电路是一个光耦,所以在触点和 PLC 输入电路之间需要串联一个电源,
1)无源触点输出的设备
所谓无源触点输出设备,就是按钮或是继电器的常开或常闭触点。由于PLC输入单元的输入电路是一个光耦,所以在触点和PLC输入电路之间需要串联一个电源,当PLC是交流输入单元,则需要一个交流电源;若是直流输入单元,则需要一个直流电压源。触点与PLC之间的连接如图4-2所示。

图4-2 触点与PLC的连接
2)三极管作为开关的输出设备
三极管的集电极和发射极之间也可以作为开关使用,当三极管导通时相当于开关闭合;当三极管截止时,相当于开关断开。图4-3所示是三极管作为开关的接线图。

图4-3 三极管作为开关的PLC输入电路连接图
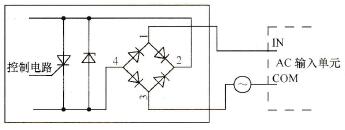
3)具有二极管输出电桥的设备
若与PLC连接的设备具有二极管电桥输出电路,则可以按照图4-4所示的电路连接。

图4-4 电桥输出设备与PLC交流输入单元连接
4)输入漏电流
当使用非触点输出设备时,由于开关元件是晶体管、晶闸管等元件,这些元件会由于自身的问题或电路设计问题,即使在截止时,也会有一个小的电流流过。该电流可能由如下原因引起:
(1)元件自身的漏电流,如三极管的反向漏电流ICEO;
(2)控制电路设计不好,开关元件没有可靠截止。
若该电流大于1. 3mA,就可能引起PLC输入电路发生误动作为ON。解决的方法是在PLC输入端并联一个旁路电阻,如图4-5所示。

图4-5 在PLC输入端并联旁路电阻
若已知漏电流为Io,要求Ii小于1. 3mA,则

其中,Ii是PLC输入电流;Io是漏电流;R是旁路电阻;Ri是PLC的等效输入电阻。可以查PLC输入回路特性表得到,或者根据下列公式计算:

只要适当选择旁路电阻R的数值,就可以消除漏电流的影响。
点击排行
PLC编程的基本规则
