您现在的位置是:首页 > PLC技术 > PLC技术
STEP 7的数字量输出模块
来源:艾特贸易2017-09-01
简介SM 322 数字量输出模块用于驱动电磁阀、接触器、小功率电动机、灯和电动机起动器等负载。数字量输出模块将内部信号电平转化为控制过程所需的外部信号电平,同时有隔离和功率放大
SM 322数字量输出模块用于驱动电磁阀、接触器、小功率电动机、灯和电动机起动器等负载。数字量输出模块将内部信号电平转化为控制过程所需的外部信号电平,同时有隔离和功率放大的作用。输出模块的功率放大元件有驱动直流负载的大功率晶体管和场效应晶体管、驱动交流负载的双向晶闸管或固态继电器,以及既可以驱动交流负载又可以驱动直流负载的小型继电器。输出电流的额定值为0.5~8A(与模块型号有关),负载电源由外部现场提供。
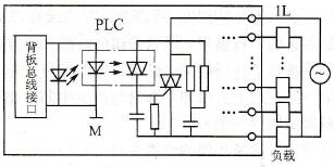
图2-45是继电器输出电路,某一输出点Q为1状态时,梯形图中的线圈“通电”,通过背板总线接口和光耦合器,使模块中对应的微型继电器线圈通电,其常开触点闭合,使外部负载工作。输出点为0状态时,梯形图中的线圈“断电”,输出模块对应的微型继电器的线圈也断电,其常开触点断开。
图2-46是固态继电器(SSR)输出电路,虚线框内的光敏双向晶闸管和虚线框外的双向晶闸管等组成固态继电器。SSR的输入功耗低,输入信号电平与CPU内部的电平相同,同时又实现了隔离,并且有一定的带负载能力。梯形图中某一输出点Q为1状态时,其线圈“通电”,使光敏晶闸管中的发光二极管点亮,光敏双向晶闸管导通,使另一个容量较大的双向晶闸管导通,模块外部的负载得电工作。图2-46中的RC电路用来抑制晶闸管的关断过电压和外部的浪涌电压。这类模块只能用于交流负载,其响应速度较快,工作寿命长。

图2-45 继电器输出模块电路

图2-46 固态继电器输出模块电路
双向晶闸管由关断变为导通的延迟时间小于1ms,由导通变为关断的最大延迟时间为10 ms(工频半周期)。如果因负载电流过小使晶闸管不能导通,可以在负载两端并联电阻。
图2-47是晶体管或场效应晶体管输出电路,只能驱动直流负载。输出信号经光耦合器送给输出元件,图中用一个带三角形符号的小方框表示输出元件。输出元件的饱和导通状态和截止状态相当于触点的接通和断开。

图2-47 晶体管或场效应管输出模块电路
继电器输出模块的负载电压范围宽,导通压降小,承受瞬时过电压和瞬时过电流的能力较强,但是动作速度较慢,寿命(动作次数)有一定的限制。如果输出量的变化不是很频繁,建议优先选用继电器型的输出模块。
固态继电器型输出模块只能用于交流负载,晶体管型、场效应晶体管型输出模块只能用于直流负载,它们的可靠性高,响应速度快,寿命长,但是过载能力稍差。
在选择数字量输出模块时,应注意负载电压的种类和大小、工作频率和负载的类型(电阻性、电感性负载、机械负载或白炽灯)。除了每一点的输出电流外,还应注意每一组的最大输出电流。
点击排行
PLC编程的基本规则
