您现在的位置是:首页 > PLC技术 > PLC技术
数字量输入模块SM321
来源:艾特贸易2017-10-11
简介数字量输入模块将现场过程送来的数字 “1” 信号电平转换成 S7-300 内部信号电平。数字量输入模块有直流输入和交流输入两种方式。对现场输入元件,仅要求提供开关触点即可。输入
数字量输入模块将现场过程送来的数字“1”信号电平转换成S7-300内部信号电平。数字量输入模块有直流输入和交流输入两种方式。对现场输入元件,仅要求提供开关触点即可。输入信号进入模块后,一般都经过光电隔离和滤波,然后才送至输入缓冲器等待CPU采样。采样时,信号经过背板总线进入到输入映像区。
输入电路中一般设有RC滤波电路,以防止由于输入触点抖动或外部干扰脉冲引起的错误输入信号,输入电流一般为数毫安。
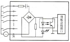
如图2-9和图2-10所示为数字量输入模块的内部电路和外部接线图,图中只画出了一路输入电路,M和N是同一输入组内各输入信号的公共点。

图2-9 数字量直流输入模块

图2-10数字量交流输入模块
在图2-9中,当外接触点接通时,光耦合器中的发光二极管点亮,光敏三极管饱和导通;外接触点断开时,光耦合器中的发光二极管熄灭,光敏三极管截止,信号经背板总线接口传送给CPU模块。
交流输入模块的额定输入电压为AC120V或230V。在图2-10中用电容隔离输入信号中的直流成分,用电阻限流,交流成分经桥式整流电路转换为直流电流。外接触点接通时,光耦合器中的发光二极管和显示用的发光二极管点亮,光敏三极管饱和导通;外接触点断开时,光耦器中的发光二极管熄灭,光敏三极管截止,信号经背板总线接口传送给CPU模块。
直流输入电路的延迟时间较短,可以直接与接近开关、光电开关等电子输入装置连接,DC24V是一种安全电压。如果信号线不是很长,PLC所处的物理环境较好,电磁干扰较轻,应优先考虑选用DC24V的输入模块。交流输入方式适合于在有油雾、粉尘的恶劣环境下使用。
数字量输入模块可以直接连接两线式接近开关(BERO),两线式BERO的输出信号为0
时,其输出电流(漏电流)不为0。在选型时应保证两线式BERO的漏电流小于输入模块允许的静态电流,否则将会产生错误的输入信号。
数字量模块的I/O电缆最远距离为1000m(屏蔽电缆)或600m(非屏蔽电缆)。
数字量输入模块SM321有四种型号模块可供选择,即直流16点输入、直流32点输入、交流16点输入、交流8点输入模块。
数字量输入模块SM321的技术特性如表2-6所示。模块的每个输入点有一个绿色发光二极管显示输入状态,输入开关闭合,即有输入电压时,二极管点亮。
表2-6数字量输入模块SM321的技术特性
点击排行
PLC编程的基本规则
