您现在的位置是:首页 > PLC技术 > PLC技术
传感器的连接
来源:艾特贸易2017-10-24
简介图2-22~图2-28提供了7种传感器的连接方式,具体连接时,必须参照模块手册上的接线说明,下面简要介绍这7种接线中应注意的几个问题。 图2-23方式,当模块通道被设置为两线制变送器
图2-22~图2-28提供了7种传感器的连接方式,具体连接时,必须参照模块手册上的接线说明,下面简要介绍这7种接线中应注意的几个问题。
图2-23方式,当模块通道被设置为两线制变送器方式时,模块会向变送器提供24V直流电源。如果供电电压L+从模块外部反馈供电,则必须在STEP 7中将两线制变送器方式配置为四线制变送器方式。
热敏电阻、普通电阻可以使用两线制、三线制或四线制端子进行接线。图2-25中,对于四线端子和三线端子,模块可以通过端子IC+和IC-提供恒定电流,以补偿测量电缆中产生的电压降,这样,测量结果会更精确。
对于图2-27三线制连接,SM331和AI8xRTD例外。

图2-22 电压传感器与带隔离的模拟量输入模块的连接

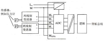
图2-23两线制变送器与带隔离的模拟量输入模块的连接

图2-24 由L+供电的两线制变送器与带隔离的模拟量输入模块的连接

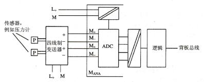
图2-25 四线制变送器与带隔离的模拟量输入模块的连接

图2-26热敏电阻与带隔离的模拟量输入模块的四线制连接

图2-27热敏电阻与带隔离的模拟量输入模块的三线制连接

图2-28热敏电阻与带隔离的模拟量输入模块的两线制连接
点击排行
PLC编程的基本规则
