您现在的位置是:首页 > PLC技术 > PLC技术
PLC触点指令电路块的串联与并联
来源:艾特贸易2017-10-30
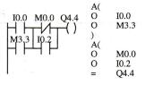
简介电路块的串、并联电路如图 3-16 、图 3-17 所示。触点的串、并联指令只能将单个触点与其他触点电路串、并联。逻辑运算时采用先“与”(串联)后“或”(并联)的规则,例如 (IO.O
电路块的串、并联电路如图3-16、图3-17所示。触点的串、并联指令只能将单个触点与其他触点电路串、并联。逻辑运算时采用先“与”(串联)后“或”(并联)的规则,例如(IO.O+M3.3).(M0.0+10.2)。要想将图3-16中由I0.5和I0.2的触点组成的串联电路与它上面的电路并联,需要在两个串联电路块对应的指令之间使用没有地址的0指令。

图3-16 电路块的并联

图3-17 电路块的串联
将电路块串联时,应将需要串联的两个电路块用括号括起来,并在左括号之前使用A指令,就像对单独的触点使用A指令一样。
电路块用括号括起来后,在括号之前还可以使用AN、O、ON、X和XN指令。
点击排行
PLC编程的基本规则
