您现在的位置是:首页 > PLC技术 > PLC技术
台达DVP-PLC有趣的喷泉程序设计范例
来源:艾特贸易2018-01-19
简介范例示意如图 3-38 所示。 图 3-38 范例示意 【控制要求】 (1) 按下喷泉启动开关后,喷泉工作指示灯一直保持亮的状态。 (2) 在喷泉工作指示灯亮 2s 后,循环执行下面动作:中央喷水灯→
范例示意如图3-38所示。

图3-38 范例示意
【控制要求】
(1)按下喷泉启动开关后,喷泉工作指示灯一直保持亮的状态。
(2)在喷泉工作指示灯亮2s后,循环执行下面动作:中央喷水灯→中央喷水阀→环状灯→环状喷水阀。每个动作持续时间为2s。
【元件说明】
元件说明见表3-16。
表3-16 元件说明

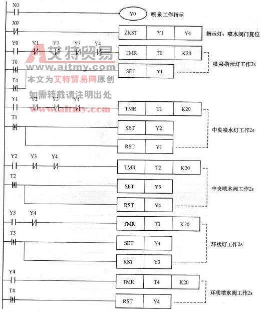
【控制程序】
控制程序如图3-39所示。

图3-39 控制程序
【程序说明】
(1)当按下启动开关时,X0=On,Y0线圈导通,工作指示灯点亮。利用Y0=On作为第一个定时器T0执行的条件,2s定时时间到达后,T0由Off→On变化,[SET Y1]指令执行,Y1=On,中央喷水灯打开。因工作指示灯工作过程中一直为亮,所以在T0由Off→On变化时,只去做[SET Y1]的动作,而不去做[RST Y0]的动作。
(2)同样,用Y1=On作为第二个定时器指令T1执行的条件,用Y2=On作为第三个定时器指令T2执行的条件,用Y3=On作为第四个定时器指令T3执行的条件,保证Y1~Y4的顺序动作。
(3)中央喷水灯、喷水阀、环状喷水灯、环状喷水阀需要顺序动作,所以在T1、T2、T3由Off→On变化时,“SET”下次动作的同时,还需去做“RST”本次的动作。用Y1、Y2、Y3、Y4的动断触点来关断定时器,确保本次动作执行时,前一个动作的定时器被关闭。
(4)最后一个动作完成后,T4的上升沿“RST”本次动作后,同时去“SET”第一个动作Y1,开始第二轮的循环。
(5) X0=Off,Y0变为Off,工作指示灯熄灭,同时ZRST指令执行,Y1、Y2、Y3、Y4被复位,所有的阀门、喷水灯立即停止工作。
(部分原创文章应编辑稿费需求,每篇需要收取2元的稿费,如需查看全文请联系客服索取,谢谢理解!在线客服:
)
点击排行
PLC编程的基本规则
