您现在的位置是:首页 > PLC技术 > PLC技术
状态位指令
来源:艾特贸易2018-03-26
简介状态位指令是位逻辑指令,针对状态字的各个位进行操作。通过状态位可以判断 CPU 运算中溢出、异常、进位、比较结果等状态。由于编程方法的原因,状态位指令只能在 LAD 中使用。
状态位指令是位逻辑指令,针对状态字的各个位进行操作。通过状态位可以判断CPU运算中溢出、异常、进位、比较结果等状态。由于编程方法的原因,状态位指令只能在LAD中使用。STL编程语言中对状态位的信息,有的可以直接使用,有的可以通过跳转指令完成,同样可以实现状态位指令在LAD中实现的功能。在指令示例程序中,将会介绍使用STL编程语言实现的方法。状态位指令如表2-37所示。
表2-37 状态位指令


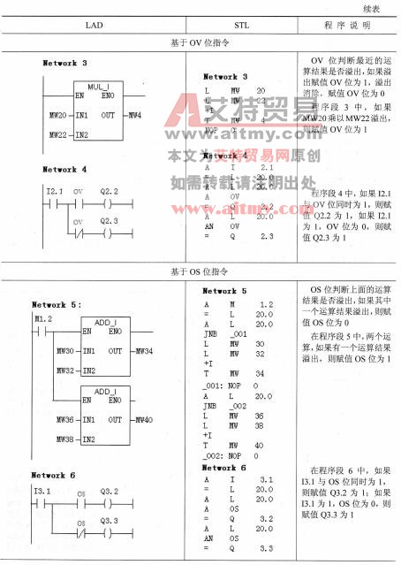
状态字每个位的含义在前面已经作过介绍,这里不再描述,使用状态位指令的示例程序如表2-38所示。
在下面的示例程序中,可以看到LAD程序和指令可以自由转换为STL程序,LAD编程语言使用的状态位指令实现的功能在STL中也可以实现。
表2-38 状态位指令的示例程序





(作者稿费要求:需要高清无水印文章的读者3元每篇,请联系客服,谢谢!在线客服:
)
点击排行
PLC编程的基本规则
