您现在的位置是:首页 > PLC技术 > PLC技术
皮带运输机的FX系列PLC控制
来源:艾特贸易2018-03-26
简介皮带运输机广泛地运用于冶金、化工、机械、煤矿和建材等工业生产中。图 6-13 所示为某原材料皮带运输机的示意图。原材料从料斗经过 PD1 、 PD2 两台皮带运输机送出;由电磁阀 M0 控
皮带运输机广泛地运用于冶金、化工、机械、煤矿和建材等工业生产中。图6-13所示为某原材料皮带运输机的示意图。原材料从料斗经过PD1、PD2两台皮带运输机送出;由电磁阀M0控制从料斗向PD1供料;PD1、PD2分别由电动机M1和M2控制。

图6-13 某原料皮带运输机示意图
1.控制要求
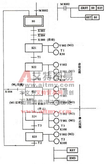
(1)初始状态 料斗、皮带PD1和皮带PD2全部处于关闭状态。
(2)启动操作 启动时为了避免在前段运输皮带上造成物料堆积,要求逆送料方向按一定的时间间隔顺序启动。其操作步骤为:
皮带PD2→延时5s→皮带PD1→延时5s→料斗M0
(3)停止操作 停止时为了使运输机皮带上不留剩余的物料,要求顺物料流动的方向按一定的时间间隔顺序停止。其停止的顺序为:
料斗→延时10s→皮带PD1→延时10s→皮带PD2
(4)故障停车 在皮带运输机的运行中,若皮带PD1过载,应把料斗和皮带PD1同时关闭,皮带PD2应在皮带PD1停止10s后停止。若皮带PD2过载,应把皮带PD1、皮带PD2(M1、M2)和料斗M0都关闭。
(5)要求 采用FX系列PLC实现控制。
2.I/O地址分配
输入地址 输出地址
启动按钮 X000 M0料斗控制 Y000
停止按钮 X001 M1接触器 Y001
M1热继电器 X003 M2接触器 Y002
M2热继电器 X004
3.程序设计
·用步控指令,根据皮带运输机控制要求设计的功能图如图6-14所示;
·皮带运输机的PLC梯形图如图6-15所示。

图6-14 皮带运输机的PLC功能图

图6-15 皮带运输机的PLC梯形图
4.指令语句表

(作者稿费要求:需要高清无水印文章的读者3元每篇,请联系客服,谢谢!在线客服:
)
点击排行
PLC编程的基本规则
