PLC技术
PLC技术
-
FX系列PLC的状态转移图
PLC技术
一个顺序控制过程可分为若干个阶段,也称为步或状态,每个状态都有不同的动作。当相邻两状态之间的转换条件得到满足时,就将实现转换,即由上一个状态转换到下一个状态执行。...
阅读更多 -
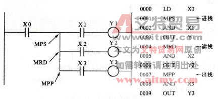
FX系列PLC的栈指令(MPS、MRD、MPP)
PLC技术
MPS :进栈指令; MRD :读栈指令; MPP :出栈指令。 栈指令用于多重输出电路。可将连续点先存储,用于连接后面的电路。 MPS 、 MRD 和 MPP 指令的使用分别如图 4-8 、图 4-9 和图 4-10 所示...
阅读更多 -
FX系列PLC步进指令的使用说明
PLC技术● STL 触点是与左侧母线相连的常开触点,某 STL 触点接通,则对应的状态为活动步; ●与 STL 触点相连的触点应用 LD 或 LDI 指令,只有执行完 RET 后才返回左侧母线; ● STL 触点可直接...
阅读更多 -
FX系列PLC的置位与复位指令(SET、RST)
PLC技术
· SET( Set) :置位指令,操作保持指令; · RST( Reset) :复位指令,操作复位指令。 SET 、 RST 指令的使用如图 4-11 所示。 图 4-11 SET 、 RST 指令的使用 图中的 X0 触点闭合, Y0 得电,处于保...
阅读更多 -
FXO系列PLC的型号规格
PLC技术
FXO 是在 FX2 之后推出的一种超小型 PLC 。 FXO 为整体式结构,也设有扩展单元,最大 I/O 总数有 14 、 20 、 30 三种供选择。电源有交流和直流两种。输出有继电器输出和晶体管输出两种类...
阅读更多 -
FX系列PLC的主控指令(MC、MCR)
PLC技术
· MC( MasterControl) :主控指令,用于公共串联触点的连接指令。 · MCR( MasterCo ntrol Reset) :主控复位指令,即 MC 指令的复位指令。 主控指令所完成的操作功能是当某一触点(或一组触点)...
阅读更多 -
累计器指令
PLC技术
累加器指令对累加器 1 (ACCUl) 、累加器 2(ACCU2) 、累加器 3(ACCU3) 、累加器 4(ACCU4) 进行操作,并且只适合 STL 编程语言。 S7-300 CPU 只有累加器 1 和累加器 2 , S7-400CPU 具有 4 个累加器,累加...
阅读更多 -
FX系列PLC的脉冲输出指令(PLS、PLF)
PLC技术
· PLS( pluse) :脉冲上微分指令,在输入信号的上升沿产生脉冲输出。 · PLF( Pulse) :脉冲下微分指令,在输入信号的下降沿产生脉冲输出。 PLS 、 PLF 指令使用如图 4-13 所示。 图 4-13 PLS...
阅读更多 -
S7-300/400系列PLC选型
PLC技术在满足控制要求的前提下,选型时应选择最佳的性价比,具体应考虑以下几点。 1 .性能与任务相适应 对于开关量控制的应用系统,当对控制速度要求不高时,可选用小型 PLC ,西门子...
阅读更多 -
FX系列PLC的空操作指令(NOP)
PLC技术
NOP( No Operation) :空操作指令。无动作、无操作数的程序步。 在程序中加入空操作指令,在变更或增加指令时可以减少步序号的变化。用 NOP 指令替换一些已写入的指令,可以改变电路。...
阅读更多
点击排行
PLC编程的基本规则
