线性放大
电路图学习线性放大555电路图信号产生稳压电路图开关电源电路电池电源电路综合电源电路传感器电路图消费电子电路遥控电路图音视频电路控制电路图电机控制电路DIY电路图光电电路图医疗安防线性放大
-
MAX4104/4105/4304/4305低噪声低失真运算放大器
线性放大
MAX4104/4105/4304/4305运算放大器具有极高速、低噪声和低失真性。MAX4104是单位增益稳定补偿,提供625MHz带宽和400V/μs转换速率,工作时仅需要20mA电源电流。MAX4304是增益补偿(AvcL=2V/V或...
阅读更多 -
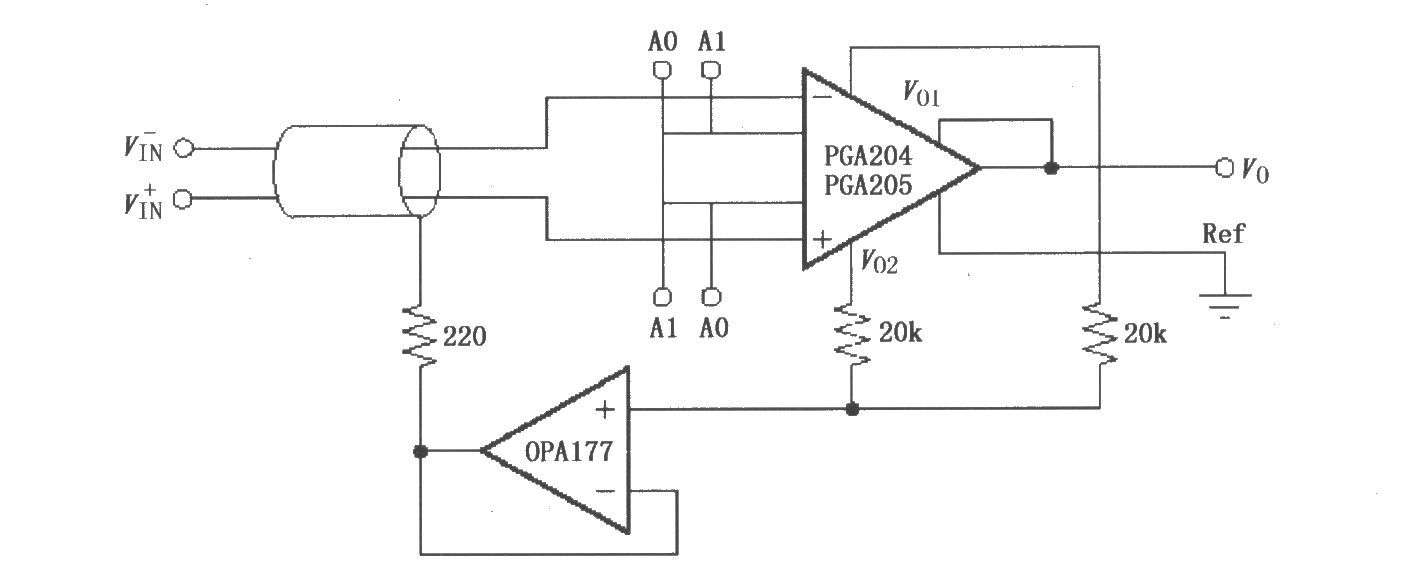
由PGA204/205构成的屏蔽驱动电路
线性放大
如图所示为由PGA204/205构成的屏蔽驱动电路。由抗干扰理论与实践证明,传输弱信号的电缆线的屏蔽层加上一定电位时,将大大减小由屏蔽层与芯线之间分布电容耦合引入的干扰。图中...
阅读更多 -
由MAX4104/4105/4304/4305构成的驱动电容性负载电
线性放大
如图所示为由MAX4104/4105/4304/4305采用隔离电阻RISO构成的驱动电容性负载电路。MAX4104/4105/4304/4305的最大允许电容性负载分别为10pF,超过就有可能出现过冲振铃和振荡。该电路在输...
阅读更多 -
PGA204/205提供输入共模电流通路电路
线性放大
如图所示为PGA204/205的提供输入共模电流通路的电路。PGA204/205具有极高的输入电阻(约1010MΩ),而输入偏流很小(典型值±1nA),所以必须给两个输入端的偏流提供一个通路。如果不给偏流...
阅读更多 -
由PGA205构成的二进制增益步长电路
线性放大
如图所示为由PGA205构成的二进制增益步长电路,增益范围为1~64。该电路采用两级PGA205级联的方式构成,电路总的增益为两级增益之积,即G=G1G2。各个PGA205的增益设置见图中所示。...
阅读更多 -
多路输入可编程增益放大电路(PGA204/205)
线性放大
如图所示为由PGA204/205与74HC57、HI-509构成的多路输入可编程增益放大电路。该电路采用八D触发器(32升沿触发、三态)74HC574对输入数据进行编码,一方面控制PGA204/205选择增益;另一方面...
阅读更多 -
由MAX4102/4103构成的视频/射频分配放大电路
线性放大
如图所示为由MAX4102/4103构成的视频/射频分配放大电路。信号输入MAX4102/4103,经过放大后输出。为了使传输过程反射最小,负载上获得最大功率,选择终端阻抗等于传输线特性阻抗,...
阅读更多 -
可编程增益仪表放大器PGA204/205
线性放大
PGA204/205是具有极好精度的低价格通用型仪表放大器。数字控制可编程增益,PGA204为G=1、10、100、1000,PGA205为G=1、2、4、8。PGA204/205的精密性、通用性和低价格,使之有着广泛的应用范...
阅读更多 -
由PGA203构成的可编程电流源
线性放大
如图所示为由PGA203构成的可编程电流源。电路外接三极管、电阻R、10kΩ电阻构成电流源电路,这里要注意PGA203的基准端(④脚)接在负载电阻上端(而不是接地)。三极管与10kΩ电阻构成射极...
阅读更多 -
由PGA203与ISO102构成的隔离式可编程增益仪表放大
线性放大
如图所示为由PGA203与隔离放大器IS0102构成的隔离式可编程增益仪表放大器电路。输入信号由PGA203放大后再输入IS0102,由IS0102隔离放大后输出VOUT。这期间DIN经过数字光电耦合器隔离,对...
阅读更多
