您现在的位置是:首页 > 变频技术 > 变频技术
变频器的输入电路接线
来源:艾特贸易2017-06-04
简介1 .输入端子 变频器可以采用外部的开关信号在远离变频器的地方进行操作,因此,把这种控制方式称为远控或遥控。变频器在出厂时设定的都是键盘操作方式,如需要采用外接输入控
1.输入端子 变频器可以采用外部的开关信号在远离变频器的地方进行操作,因此,把这种控制方式称为“远控”或“遥控”。变频器在出厂时设定的都是键盘操作方式,如需要采用外接输入控制方式,在使用前必须通过功能预置进行选择。外接输入端子如图3-1所示。变频器接收的外接输入端信号为开关量。变频器外接输入端子可分为以下两大类。
图3-1 外接输入端子 ①基本控制端:如运行、停止、正转、反转、点动、复位等,这些端子的功能是变频器在出厂时已经标定的,不能再更改。 ②可编程控制端:由于变频器可接收的控制信号多达数十种,但每个系统同时使用的输入控制端子并不多。为了节省接线端子和减少接线,变频器提供一定数量的“可编程控制端”,也称为“多功能输入端子”。其具体功能虽然在出厂时也进行了设置,但并不固定,用户可以根据需要进行预置。常见的可编程功能有多挡转速控制、多挡加/减速时间控制、升速/降速控制等。 例如,艾默生TD3000系列变频器的多功能输入端子有8个(X1~X8),可以预置的功能有33种。安川CIMR-G7A变频器的多功能输入端子有10个(S3~S12),可以预置的功能多达78种。 变频器的外接信号给定端有电压信号给定端、电流信号给定端、脉冲给定端,如图3-2所示。 2.开关指令信号的输入 变频器的输入信号中包括对运行、停止、正转、反转、微动等运行状态进行操作的开关型指令信号。变频器通常利用继电器触点或具有继电器触点开关特性的元器件(如晶体管)与PLC相连,得到运行状态指令,如图3-3所示。
图3-2 外接给定电路
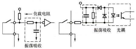
图3-3 运行信号的连接方式 在使用继电器触点时,常因接触不良而带来误动作;而使用晶体管进行连接时,则需考虑晶体管本身的电压、电流容量等因素,以保证系统的可靠性。在设计变频器的输入信号电路时还应该注意,当输入信号电路连接不当时,会造成变频器误动作。例如,当输入信号电路采用继电器等感性负载时,继电器开闭产生的浪涌电流带来的噪声有可能引起变频器误动作,应尽量避免。图3-4与图3-5给出了变频器外接输入信号端正确与错误的接线例子。
图3-4 变频器输入信号接入方式
图3-5 输入信号的错误接法 采用PLC控制变频器运行时,当PLC输出的开关信号输入变频器时,外部电源和变频器控制电源(DC24V)之间有时会发生串扰。正确的连接方法是利用PLC电源,将外部晶体管的集电极经过二极管接到PLC上,如图3-6所示。
图3-6 将外部晶体管的集电极经过二极管接到PLC上 3.三线控制 三线控制相当于继电器控制中的自锁控制。三线控制的两种基本接法如图3-7所示。 ①按键控制:按FSF后电动机正转升速并实现自锁,按FST后电动机降速至停止。 ②脉冲控制:FWD为正脉冲,电动机正转升速并实现自锁;HLD为负脉冲.电动机减速到停止。 通过变频器外接输入端子可控制变频器的正转( FWD)、反转(REV)、点动(JOG)、复位(RST);利用变频器的多功能端子(X1~X7)可实现可编程控制,如多段速度设定、多段升降时间设定。当外部电路有故障时,故障输出到相关输入端作为控制信号;外部升降速信号使用外部触点输出到相关输入端作为控制指令。变频器的内置PID和外接PID控制端子的接线如图3-8所示。
图3-7 三线控制的两种基本接法
图3-8 变频器的内置PID和外接PID控制端子的接线方法
