您现在的位置是:首页 > 变频技术 > 变频技术
高压变频器主电路结构
来源:艾特贸易2017-06-04
简介变频调速具有优异的调速和启动性能,节能效果好,在低压领域已经获得非常广泛的应用,是目前公认最有发展前途的调速方式之一,近年来,在高压领域也在逐步推广。高压电动机主
变频调速具有优异的调速和启动性能,节能效果好,在低压领域已经获得非常广泛的应用,是目前公认最有发展前途的调速方式之一,近年来,在高压领域也在逐步推广。高压电动机主要应用于冶金、钢铁、石油、化工、水处理等行业中,用于拖动风机、泵类、压缩机及各种大型机械,功率一般在1000kW以上,若能利用变频技术实现风量和水量等的调节,则可以节电,而且还可以改善系统的运行性能,提高产品的数量和质量。高压变频器和高压电动机实际电压一般为3~10kV,国内主要为3kV、6kV、10kV,与电网电压相比,只能算作中压,因此在很多资料中表示为中压变频器和中压电动机。 高压变频器的发展和应用离不开高电压大功率的电力电子器件,与低压器件相比,高压开关器件最重要的就是要能够在阻断状态时承受高电压,同时还要具备在导遥状态下,具有高的电流密度和低的导通压降,在开关状态转换时具有比较短的导通时间和关断时间。 由高压大功率元器件所构成的电路可分为以下三种:高-低-高结构,高-低结构,高-高结构。 1.高-低-高结构 图4-25所示为高低一高变频调速系统的结构示意图,高压电源输入经过降压变压器变为380V的低压,然后利用低压变频器进行变频,再由升压变压器将电压升高接高压电动机。由原理图可以看出,本系统需要降压和升压两台变压器,而变压器需要相应的启停和保护装置,增加了成本,降低了节能效果,使系统的可靠性降低。
图4-25 高低高变频调速系统结构示意图 2.高-低结构 如图4-26所示。
图4-26 高-低变频调速系统结构示意图
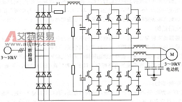
图4-27 高-高变频调速系统结构示意图 3.高-高(直接高压)结构 图4-27所示为高-高结构调速系统示意图。高一高结构的直接高压方式实际上就是直接对高压进行整流后逆变输出。高压变频器是指变频器直接使用高压电源作为输入,且直接输出高压供高压电动机使用(输入输出不需要升降压变压器)。高-高结构主要用在大功率高压电动机变频调速节能场合。常见的高-高结构有以下几种:功率器件串联二电平电压源型高压变频器、中性点箝位三电平PWM高压变频器、多电平高压变频器等。 (1)功率器件串联二电平电压源型高压变频器 功率器件串联型高压变频器如图4-28所示,可以看出,系统由电网高压直接经高压断路器进入变频器,经过高压二极管全桥整流,直流平波电抗器和电容滤波,再经逆变器逆变,加上正弦波滤波器,简单易行地实现高压变频输出,直接供给高压电动机。其主要特点是将IGBT直接串联来解决器件耐压不足的问题,采用二电平电压源型高压变频器已有的成熟技术,具有结构简单、体积小、效率高、成本低等特点。 (2)中性点箝位三电平PWM高压变频器 中性点箝位三电平变频器结构示意图如图4-29所示。在PWM电压源型变频器中,当输出电压较高时,为了避免器件串联引起的静态和动态均压问题,同时降低输出谐波及du/dt的影响,逆变器部分可以采用中性点箝位的三电平方式(Neutral Point Clamped,NPC)。逆变器的功率器件可采用高压绝缘栅双极型晶体管IGBT或集成门极换流晶闸管IGCT。三电平变频器采用的箝位电路,解决了两只功率器件串联的问题,并使相电压输出具有三个电平。三电平逆变器的主回路结构环节少,虽然为电压源型结构,但易于实现能量回馈。三电平变频器在国内市场遇到的最大难题是输出电压问题,其最大输出电压达不到6kV,所以往往需要采用变通的方法,要么改变电动机的电压(或进行星/三角改接),要么在输出侧加升压变压器。这一缺点限制了它的广泛应用。目前也有器件串联三电平变频器或裂相三电平(每相用一个单相三电平变频器)变频器,如ABB公司的ACS5000系列。
图4-28 功率器件串联型高压变频器结构示意图
图4-29 中性点箝位三电平变频器结构示意图 (3)多电平高压变频器 随着现代拓扑技术的发展,采用多电平结构的变频调速系统得到了发展和应用,此种系统采用模块结构,它不是元器件的简单串联,而是结构上的串联,有效保证电压的安全和自然匹配,特别是在减小电网谐波和补偿电网无功方面有着良好的应用前景。多电平变频器不仅可以降低开关器件的电压额定值,而且大大改善了电路的输出波形,降低了输出电压的谐波畸变率,这种电路的结构很容易实现向更多电平数的扩展,实现更高电压的输出。
