您现在的位置是:首页 > 变频技术 > 变频技术
变频器外接控制的电路结构
来源:艾特贸易2017-06-04
简介1 .变频器的外接输入电路如图 3-33 所示,外部的控制信号通常是由开关来传递的。控制开关的通、断信息,通过变频器输入电路的光耦合器而传递到内部的控制电路中。 2 .外接输入
1.变频器的外接输入电路如图3-33所示,外部的控制信号通常是由开关来传递的。控制开关的通、断信息,通过变频器输入电路的光耦合器而传递到内部的控制电路中。 2.外接输入开关的结构外接输入开关可以是有触点的,如继电器、按钮、行程开关等;也可以是无触点的开关电路,如接近开关、可编程序控制器(PLC)等的输出电路。无触点开关电路总是有自己的电源的,于是又有两种情形: (1)无触点开关电路的输出级为光耦合器,其电源和变频器内部控制电路的电源间互相隔离,如图3-34所示。
图3-33 输入控制信号电路
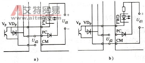
图3-34 无触点开关的电源和变频器控制电源隔离 (2)无触点开关电路的输出级为晶体管,从而其输出电路和变频器的输入电路间不可能完全隔离。在这种情况下,要注意分析是否有发生误动作的可能性。正确的接法如图3-35a所示。其工作特点是,变频器的输入电路是由无触点开关电路的电源(电压为Ud2)供电的,因而不会发生误动作。如果变频器的输入电路由变频器自己的控制电源(电压为Ud1)供电,如图3-35b所示的那样,则当无触点开关电路的输出级Vp截止时,变频器的输入电路应该是不通的。但如果变频器内控制电路的电源电压Ud1高于无触点开关电路的电源电压Ud2的话,变频器的输入电路将可能经过二极管VDp而导通,形成误动作。所以,这种接法是错误的,用户在使用时必须特别注意。
图3-35 无触点开关的电源和变频器的控制电源不隔离 a)正确接法b)错误接法
