您现在的位置是:首页 > 变频技术 > 变频技术
变频器的节能途径
来源:艾特贸易2017-06-04
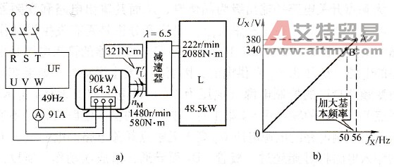
简介要想使电动机充分发挥作用,必须使电动机的工作频率接近于额定频率。具体方法是:将传动比增大为 =6.5 ,则电动机的工作频率必须提高到 49Hz ,而负载的折算转矩减小为 于是,功率
要想使电动机充分发挥作用,必须使电动机的工作频率接近于额定频率。具体方法是:将传动比增大为λ=6.5,则电动机的工作频率必须提高到49Hz,而负载的折算转矩减小为
于是,功率的“大马拉小车”转变成为转矩的“大马拉小车”了,如图3-32a所示。再通过适当加大基本频率来实现降压节能。
图3-32 低频重载的节能 a)加大传动比b)加大基本频率
