您现在的位置是:首页 > 变频技术 > 变频技术
家用电器的变频调速
来源:艾特贸易2017-06-04
简介一、变频调速系统的特点 1 .电动机由单相改三相众所周知,一般家庭里都没有三相电源,只有单相电源,所以家用电器里的电动机都是单相电动机。 纯粹的单相电动机是没有转矩的。
一、变频调速系统的特点 1.电动机由单相改三相众所周知,一般家庭里都没有三相电源,只有单相电源,所以家用电器里的电动机都是单相电动机。 纯粹的单相电动机是没有转矩的。为了使它能够旋转,必须增加起动绕组,还需要串联一个电容器。即使这样,其转矩和效率都远逊于三相电动机,并且由于需要外接电容器,增加了故障率。 由于交-直-交变频器的中间环节是直流电路,输出电路的相数和输入侧电源的相数之间毫不相干。因此,其输出侧完全可以通过三相逆变桥逆变成三相交流电源。这种输入单相交流、输出三相交流的变频器,通常被形象地称为“单进三出”变频器,其主电路框图如图11-9所示。
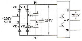
图11-9 单进三出变频器框图 这样一来,家用电器中的电动机就都可以改用转矩大、效率高、故障率低的三相交流异步电动机了。 2.单进三出的主电路特点 因为单相全波整流后的直流电压平均值只有交流电压有效值的0.9倍,即 UD=0.9UL (11-10)式中 UL-单相交流电压的有效值(V)。 当UL=220V时,UD=198V。 因此,逆变后所得到的三相交流线电压的有效值只有146V,如图11-10所示。它不可能用来驱动三相220V的电动机, 为了能驱动三相220V的电动机,在单相全波整流以后,还必须增加一个升压电路,如图11-11所示。 图中,升压电路由电容器C01和C02构成。 当N点的电位处于正弦波的上半周时,直流回路P+端的正电位将因C01的作用而得到补充;而当N点的电位处于正弦波下半周时,直流回路N-端的负电位也因C02的作用而得到补充,从而增大了P+和N-之间的直流电压值。 适当选择C01和C02的电容量,可使直流回路的平均电压升至297V,使逆变后的三相线电压升为220V。 3.采用变频调速后的共同优点 (1)电动机的起动与制动都很平稳,起动时无冲击电流。 (2)节能。 (3)由于平均转速下降,且起动时无冲击,故机械寿命可以延长。
图11-10 单相全波整流的效果
图11-11 单相全波整流的升压电路 二、各种家用电器采用变频调速后的主要特点 1.家用空调器 (1)由原来的“双位控制”变为连续恒温控制,温度稳定,感觉舒适。 (2)在开始运行的一段时间内,可自动地适当加速,使温度较快地达到用户设定的温度。 2.电冰箱 (1)提高保鲜水平。当电动机的工作频率达到90Hz时,可实现速冻。 (2)夜深人静时,降低电动机的工作频率,可实现无声运行。 3.洗衣机洗衣机在洗涤过程中,处于恒转矩运行状态。但在甩干时却具有恒功率的特点,如设计得好,可充分利用电动机在额定频率以上的特性。
