您现在的位置是:首页 > 变频技术 > 变频技术
溴化锂吸收式机组的变频改造
来源:艾特贸易2017-06-05
简介无论是吸收式(溴化锂)机组或电驱动压缩制冷(氟利昂)机组的中央空调系统,主机自身的能量消耗由机组控制,主机外的电力消耗组不能控制,这部分的成本是相当高的,尤其是溴
无论是吸收式(溴化锂)机组或电驱动压缩制冷(氟利昂)机组的中央空调系统,主机自身的能量消耗由机组控制,主机外的电力消耗组不能控制,这部分的成本是相当高的,尤其是溴化锂机组,在额定状态制冷运用行时,主机以外的水泵、冷却塔的电机耗电量约占总体能源消耗成本的30%(有的可占系统总能耗的60%)以上。 通过理论分析冷却水变流量运行的可行性可得,冷却水变流量运行可降低溶液结晶和冷剂水受污染的可能性,机组冷却水变流量运行通过的能量控制系统的改进不仅不会造成燃烧量的增加,而且还具有显著的节能效果。无论从环境保护角度,还是从用户切身利益角度,都应将中央空调系统设计成最节能的系统。采用变频器来控制机外水泵电机、冷却塔电机是最简单、最有效的节能措施。一般情况节电20%~50%,每年可节省机组及系统总运行费用的12%~20%。 1.直燃机冷却水的运行能耗 直燃型溴化锂吸收式冷温水机组是以热能为动力,机组的排热负荷较大,因为冷剂蒸汽的冷凝和吸收过程均需冷却,因此其冷却水量要比常规电制冷式机组要大,所配用的冷却水泵电动机功率也就相应增大。 一些办公楼冷冻站内直燃机的冷却塔风机、冷却水泵、冷媒水泵的全年电耗比例如图4-20所示,从图可看出,冷却水泵耗能超过了系统总能耗的60%,而目前冷却水泵的设计是按最大负荷设计,并附加一定的安全系数,实际运行中大多为定流量运行,水泵耗电量几乎常年不变,冷却水普遍存在“大流量、小温差”的问题,造成能源的浪费,给供配电系统带来了沉重的压力。 美国空调制冷协会标准ARI880-56给出的空调负荷全年分布数据显示,空调系统90%的时间是在75%及以下负荷下运行,减少冷却水泵的能耗最有效的是采用变频控制系统,由于水泵的耗功率与水流量的三次方成正比。因此,采用采用变频控制的冷却水系统理论上具有很大的节能空间,该系统的推广对缓解我国电力瓶颈制约具有重要意义。 2.直燃机冷却水供回水温差 图4-21为一冷冻站8月份冷却水供回水温差分布,从图可看出,即使是最热月份,冷却水回水温度也基本集中在1.0℃~2.2℃,远远小于直燃机冷却水供回水的设计温差5℃。
图4-20 直燃机的附机的全年电耗比例
图4-21 冷却水供回水温差分布 现代的直燃型溴化锂冷温水机组已具备比较完善的自动控制系统,可以根据冷温水出、入口温度的变化,精确控制燃烧量和溶液的循环量,随外界负荷的变化实现机组在30%~100%负荷范围内调节,这就为实现冷却水泵的变水量运行提供了基本条件。 在对直燃机冷却水泵进行变频调速改造时,冷却水泵变频运行的流量下限主要受冷水机组的制约,不能下降太多,由于机组中的压差或流量保护(一般为压差保护),流量下限被限制在设计流量的70%~75%之间,因而冷却水的流量变化不能突破这一限制。 3.冷却水泵的变频改造方案 对于溴化锂吸收式机组(即直燃机)冷却水泵的变频改造最好使用双回路方案(即变频一工频双回路),这样可使变频和工频两种运行方式互为备用。对与原工频系统回路,如不是过于陈旧,则建议在原工频系统的基础上加装变频系统(图4-22)。 因为直燃机冷却水供回水的设计温差为5℃,故在进行变频改造时尽可能使用温差闭环调节(调速),如图4-23所示。对于一些温差总小于5℃,离突破设计温差还远的情况,也可采用冷却水出水温度闭环的调节方式,这只需将图4-23中的温差控制器换成温度控制器,将T2温度探头去掉即可。
图4-22 冷却水泵的变频改造方案
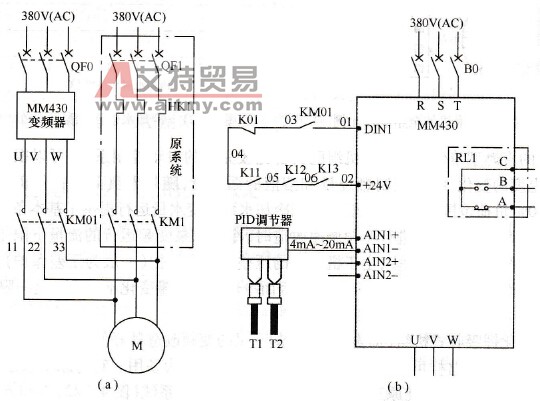
图4-23 冷却水泵的变频调节方案 一些实际应用表明,多数冷却水泵的变频改造是可以采用冷却水出水温度闭环的调节方式的,冷却水出水温度闭环的调节方式与冷却水出水温差闭环的调节方式的节电效果无明显的差异,从工艺控制上讲,温度闭环的调节方式能满足冷却水泵的变频调速的要求。 4.冷却水泵的变频改造实用电路 如图4-24(a)所示,冷却水泵的变频主回路只需按相序相同的办法接入原工频主回路即可。温差控制器及变频器的启/停控制接线按图4-24(b)所示。
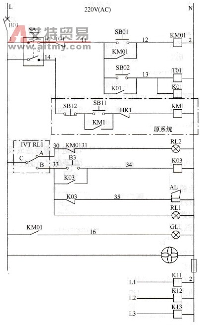
图4-24 冷却水泵的变频改造双主回路及变频器接线示意图 (a)双主回路;(b)变频器接线。 图4-25提供了冷却水泵的变频改造的双回路控制接线,该控制电路在变频装置本身为双回路(变频-工频)时可作为双回路控制的制作接线,在变频装置本身为单回路(变频)且需接入原工频系统时,虚框部分别为原工频系统的部分(启/停部分)控制电路和变频器故障信号的引出电路。 图4-25中的L1、I2、13及K11、K12、K13的接线为断相保护电路。
图4-25 冷却水泵的变频改造的双回路控制接线示意
