您现在的位置是:首页 > 变频技术 > 变频技术
变频器的主要抗干扰措施
来源:艾特贸易2017-06-05
简介针对上述干扰信号的不同传播方式,可以采取各种相应的抗干扰措施,主要有: 1 .变频器侧 (1) 对于通过感应方式(包括电磁感应和静电感应)传播的干扰信号,主要通过正确地布线
针对上述干扰信号的不同传播方式,可以采取各种相应的抗干扰措施,主要有: 1.变频器侧 (1)对于通过感应方式(包括电磁感应和静电感应)传播的干扰信号,主要通过正确地布线和采用屏蔽线来削弱。 (2)对于通过线路传播的干扰信号,主要通过增大线路在干扰频率下的阻抗来削弱,实际上,可以串入一个小电感,如图6-17所示。它在基频下的阻抗是微不足道的,但对于频率较高的谐波电流,却呈现出很高的阻抗,起到了有效的抑制作用。
图6-17 线路抗干扰滤波器 (3)对于通过辐射传播的干扰信号,主要通过吸收的方法来削弱,如图6-18所示。各变频器生产厂商也都可以提供专用的“无线电抗干扰滤波器”。 变频器的输出侧除了和受控电动机相接外,和其他设备之间,极少有线路上的联系。因此,通过线路传播其干扰信号的情形可不予考虑。 在变频器的输出侧和电动机之间串入滤波电抗器LD,可以削弱输出电流中的谐波分量,如图6-19所示。此法不但起到了抗干扰作用,还削弱了电动机中由于谐波电流引起的附加转矩,改善了电动机的运行特性。
图6-18 无线电抗干扰滤波器
图6-19 输出侧的电抗器 必须注意,在变频器的输出侧,是绝对不允许用电容器来吸收谐波电流的,如图6-20所示的那样。这是因为,在逆变器件导通瞬间,会出现峰值很大的充电电流或放电电流,使逆变器件损坏。 2.仪器侧 (1)电源隔离法。实践表明,变频器输入侧的谐波电流常常从电源侧进入各种仪器,成为许多仪器的干扰源。针对这种情况,应在受干扰仪器的电源侧采取有效的隔离和滤波措施。方法之一是接入隔离变压器,如图6-21所示。隔离变压器的特点是:一、二次绕组的匝数相等(一、二次侧之间无变压功能),但一、二次侧之间应由金属薄膜进行良好的隔离。一、二次电路中都可接入电容器,如图中的C1和C2。
图6-20 输出侧禁接电容器
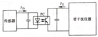
图6-21 电源隔离法 为了进一步滤去电源电压中的谐波分量,在隔离变压器的两侧还可以接入各种滤波电路。 (2)信号隔离法。在某些传感器传输线较长,并采用电流信号的场合,还可以考虑在信号侧用光耦合器进行隔离,如图6-22所示。需要注意的是:①所用光耦合器应是传输比为1的线性光耦合器;②光耦合器两侧的电容器对传输信号应无衰减作用,即如为直流信号,电容量可大一些;如为脉冲信号,则应根据脉冲频率的大小适当选择。
图6-22 信号隔离法
