您现在的位置是:首页 > 变频技术 > 变频技术
变频调速正、反转运行的控制电路
来源:艾特贸易2017-06-05
简介1 .三位旋钮开关控制电路。如图 7-9 所示。此图与图 7-7 所示的正转控制电路完全类似,只是把旋钮开关改为三位开关了,即开关有正转、停止、反转三个位置。 此方案的优缺点也和图
1.三位旋钮开关控制电路。如图7-9所示。此图与图7-7所示的正转控制电路完全类似,只是把旋钮开关改为三位开关了,即开关有“正转”、“停止”、“反转”三个位置。 此方案的优缺点也和图7-7所示电路相同,即电路结构简单,但难以避免由KM直接控制电动机的误操作。
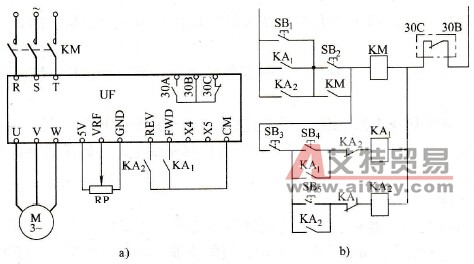
图7-9 旋钮开关正反转控制电路 a)主电路b)控制电路 2.继电器控制的正、反转电路。如图7-10所示。此图与图7-8也类似。
图7-10 继电器控制的正、反转电路 a)主电路b)控制电路 按钮SB1、SB2用于控制接触器KM,从而控制变频器接通或切断电源; 按钮SB3、SB4用于控制正转继电器KA1,从而控制电动机的正转运行; 按钮SB3、SB5用于控制反转继电器KA2,从而控制电动机的反转运行; 正转与反转运行只有在接触器KM已经动作、变频器已经通电的状态下才能进行。 与动断(常闭)按钮SB1并联的KA1、KA2触点用以防止电动机在运行状态下通过KM直接停机。
