变频技术
变频技术
-
冰箱系统中采用变频电路控制的特点和优势及工
变频技术
1 .冰箱系统中采用变频电路控制的特点和优势 具有变频电路的电冰箱称为变频电冰箱。该类电冰箱与变频空调器的特点相似,具有高效节能、噪声低、适应负荷能力强、启动电流小、...
阅读更多 -
海尔BCD-248WBSV型变频电冰箱中的变频电路
变频技术
图 8-12 所示为海尔 BCD-248WBSV 型变频电冰箱的电气接线图。由图可以看到,该变频电冰箱整机电路主要由操作显示电路板、控制电路板、变频电路板、温度传感器、加热器、风扇电动机、...
阅读更多 -
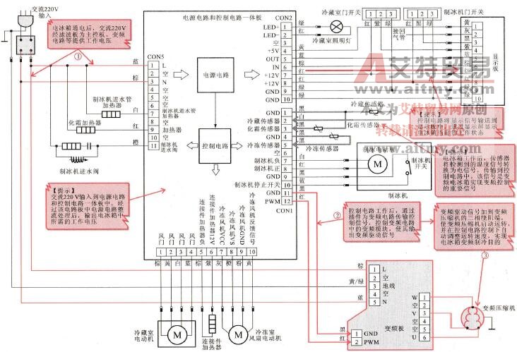
海尔BCD-316WS LA/316WS TA/318WS L型电冰箱的变频控制电
变频技术
图 4-27 所示为海尔 BCD-316WSLA/316WS TA/318WS L 型变频电冰箱的电气接线图。该变频电冰箱主要由显示板、主控板、变频板、传感器、加热器、风扇电动机、照明灯、制冰机、门开关、变频压...
阅读更多 -
双向晶闸管
变频技术
双向晶闸管 ( Triac) 是在同一块芯片上反向并联的一对相位可控的晶闸管。图 3-8 (a) 为双向晶闸管的图形符号;图 3-8 (b) 为其伏安特性曲线。通过施加门极触发脉冲,这个三端器件在电源...
阅读更多 -
电力二极管及通用二极管的类型
变频技术1 .电力二极管的分类 (1) 标准或慢速恢复二极管; (2) 快速恢复二极管; (3) 肖特基二极管。 慢速和快速恢复二极管都具有 PIN 结构。在快速恢复二极管中,恢复时间 trr 和恢复电荷 Q...
阅读更多 -
门极关断晶闸管GTO
变频技术
门极关断晶闸管 (GateTurn-off Thyristor) ,同其他晶闸管一样,由一个小的正门极电流脉冲触发,除此之外,它还能被负门极电流脉冲关断。 GTO 晶闸管的关断是通过门极使 PNP 集电极电流换...
阅读更多 -
二极管的直流参数
变频技术主要参数如下: (1) 正向电压 UF 是在二极管处于正偏置和规定电流的条件下, A 和 K 两端的压降。 (2) 击穿电压 UB 是在规定电流的条件下,二极管两端的电压,该电压已超过其反偏置的...
阅读更多 -
变频器的日常检查
变频技术
日常检查是变频器保养维护过程中的基础环节,做好日常检查,并记录日常运行数据、参数等,可及时发现各种异常情况,及早消除故障隐患,保证设备正常运行,有效延长变频器的使...
阅读更多 -
二极管的交流参数
变频技术常用的参数如下: (1) 正向恢复时间 tFR 是在正向电流开始流动以后,二极管两端的电压降到某一特定值时所需的时间。 (2) 反向恢复时间 tRR 是二极管中的电流下降到零开始和反向电流...
阅读更多 -
变频器的定期检查
变频技术
定期检查是由专业的工作人员进行检查,其检查时间是由变频器的工作环境和使用条件等决定的(可短期或 3 ~ 6 个月),在良好的环境下,可减少定期检查的次数,若使用环境比较恶...
阅读更多
