变频技术
变频技术
-
变频器的屏蔽线接地
变频技术
变频器的信号线通常为屏蔽电缆,在进行屏蔽电缆接地时,其屏蔽电缆的金属丝网必须通过两端的电缆夹片与变频器的金属机箱相连,如图 3-24 所示。 图 3-24 变频器的屏蔽线接地方法...
阅读更多 -
变频器接线中变频电动机的选择要点
变频技术
变频电动机是指为适应变频供电实现调速目的而专门制作的电动机,目前多指专用于和变频器配合使用的一类电动机,其外形和基本电气结构与普通交流电动机大致相同,图 3-37 所示为...
阅读更多 -
所接线的变频器控制系统的功能和结构
变频技术
变频器与其他设备或装置连接构成一个完整的控制系统,才可实现其特定的功能与目的。因此,在进行变频器接线之前,应首先了解所接线的变频器控制系统的功能和结构,在此基础上...
阅读更多 -
变频器接线中配线图的绘制
变频技术
在上述文章中,基本了解了变频器接线相关的设备和装置的功能及特点,在此基础上可绘制出变频器的配线图。配线图对实际接线操作时具有典型的指导性,对后期整个控制系统的维护...
阅读更多 -
康沃CVF-P2变频器在单水泵恒压供水系统中的应用
变频技术
对供水系统进行控制,最终是为了满足用户对流量的需要,因此流量是供水系统最根本的控制对象,而管道中水压力就可作为控制流量变化的参考变量。若要保持供水系统中某处压力的...
阅读更多 -
康沃CVF-P2-4T0055变频器在风机变频控制系统中的应
变频技术
图 5-13 所示为变频器在风机变频控制系统(燃煤炉鼓风机)中的典型应用。该控制电路采用康沃 CVF-P2-4T0055 型风机、水泵专用变频器,控制对象为 5.5 kW 的三相交流电动机(鼓风机电动...
阅读更多 -
普传PI7100变频器在工业变压器绕组绕线机中的应
变频技术
图 5-19 所示为典型工业变压器绕组绕线机的变频控制电路。由图可以看到,该机床设备变频控制电路主要是由主电路、控制电路和辅助制动电路等部分构成的。 图 5-19 典型工业变压器绕...
阅读更多 -
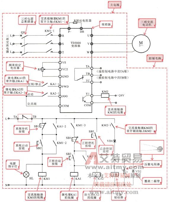
艾默生TD3000变频器在工业物料传输机中的应用
变频技术
传输机是一种通过电动机带动传动设备来向定点位置输送物件的工业设备,该设备要求传输的速度可以根据需要改变,以保证物料的正常传送。在传统控制电路中一般由电动机通过齿轮...
阅读更多 -
海信KFR-5001LW/BP型变频空调器的变频电路
变频技术
图 4-16 所示为海信 KFR-5001LW/BP 型变频空调器的变频电路原理图,该变频电路是由控制信号连接插件 CN01 、 CN02 、光电耦合器 PC01 ~ PC07 、智能功率模块 U01(PM30CTM060) 和变频压缩机等构成...
阅读更多 -
西门子变频器在中央空调系统中的应用实例
变频技术
图 4-19 所示为中央空调器中的变频控制电路。该变频控制电路采用 3 台西门子 MidiMaster ECO 通用型变频器分别控制中央空调系统中的回风机电动机 M1 和送风机电动机 M2 、 M3 。 图 4-19 中...
阅读更多
