变频技术
变频技术
-
变频器的三相输入电流不平衡是正常现象吗
变频技术
变频器在轻载时,三相输入电流容易不平衡,这是正常的。 变频器输入的三相电压经全波整流后的电压波形如图 1-20a 所示。 图 1-20 变频器的输入侧 a) 全波整流后的电压波形 b )第 1...
阅读更多 -
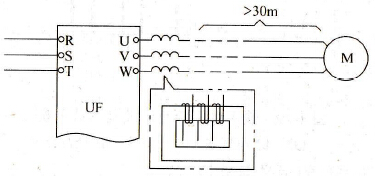
变频器与电动机之间的距离最多允许多长
变频技术
由于变频器的输出电压是高压脉冲系列,其频率等于载波频率,峰值等于直流回路电压 (513V) ,当变频器和电动机之间的连接线很长时,导线的分布电感和线间分布电容的作用将不可忽...
阅读更多 -
多个逆变电路共直流母线时,如何选择各连接线
变频技术
当同一台机器中有多台变频器时,最好采用共直流母线的方案,如图 1-21 所示。 图 1-21 多个逆变器共母线 在这种情况下,首先须根据电动机的额定功率求出直流电流。 (1-11) 式中 PDN-...
阅读更多 -
电动机和变频器之间的距离较远时应采取哪些措
变频技术
当电动机和变频器之间的距离较远时,为了避免电动机的不正常运行,可以采取在变频器的输出侧接入输出电抗器的方法,如图 1-28 所示。 图 1-28 接入输出电抗器 如电动机的容量较小...
阅读更多 -
将多个变频器的直流电路并联在一起时,如何选
变频技术
1 .整流电路的外特性 。 整流滤波电路相当于直流电源。当负载电流等于 0A 时,滤波电容器上的电压等于电源电压的峰值,如电源电压为 380V ,则峰值等于 537V ;而当负载电流等于额...
阅读更多 -
采用了变频器后功率因数究竟是高还是低
变频技术
变频器输入侧的功率因数是较低的,但并不是由于 cos φ的原因。说明如下: 1 .变频器输入电流波形如前述,“交 - 直 - 交、电压型”变频器的输入侧是整流和滤波电路。显然,只有当...
阅读更多 -
空气断路器的作用是什么,怎样选择
变频技术
1 .空气断路器的作用 (1) 隔离作用。当变频器长时间不用,或需要进行维修时,可通过空气断路器的切断,使变频器与电源隔离; (2) 保护作用。空气断路器具有过电流和欠电压等保护...
阅读更多 -
为什么不用电容器而用电抗器来改善功率因数
变频技术
过去,在正弦电流的网络里,人们习惯于通过并联电容器来改善功率因数。这是因为,在正弦电流网络里,功率因数低的原因只有位移因数这一个方面,不存在畸变因数的问题 (v=1) 。所...
阅读更多 -
在变频调速系统中,电动机的功率因数是否无关
变频技术
这个问题要从两个方面来说明: 1 .调速系统的功率因数不受电动机影响 因为变频器内部,有一个直流环节,把输入侧和输出侧隔开了。所以,电动机功率因数的好坏,对输入侧是毫无...
阅读更多 -
买不到隔离变压器,怎么办
变频技术
可以购买两台降压变压器,高压侧的额定电压应与受干扰设备控制电路所要求的电压相符;低压侧的电压不限,但两台变压器必须相同。 如图 1-41 所示,将两台变压器 T1 、 T2 的低压侧...
阅读更多
