变频技术
变频技术
-
变频调速正、反转运行的控制电路
变频技术
1 .三位旋钮开关控制电路。如图 7-9 所示。此图与图 7-7 所示的正转控制电路完全类似,只是把旋钮开关改为三位开关了,即开关有正转、停止、反转三个位置。 此方案的优缺点也和图...
阅读更多 -
变频调速主电路的构成
变频技术
变频器在实际应用中,还需要和许多外接的配件一起使用,图 7-1 所示是一个比较完整的主电路。今简要说明如下: 低压断路器 QF 和接触器 KM 用于接通变频器的电源; 交流电抗器 LA...
阅读更多 -
变频调速升、降速输入端子
变频技术
功能含义:变频器的外接开关量输入端子中,通过功能预置,可以使其中两个输入端具有升降和降速功能,称之为升、降速 (UP/DOWN) 控制端。 如图 7-11 所示,假设将 X1 预置为升速端,...
阅读更多 -
变频器PID控制中传感器的接线
变频技术
目前常用的压力传感器主要有两种:远传压力表和压力变送器,今分别说明如下: (1) 远传压力表。这种压力表内部有一个电位器。电位器的滑动端与压力表的指针相连,故滑动端的位...
阅读更多 -
变频调速主要电器的功用和选择
变频技术1 .低压断路器 QF (1) 主要作用 1) 隔离作用当变频器需要检修时,或者因某种原因而长时间不用时,将 QF 切断,使变频器与电源隔离。 2) 保护作用 当变频器的输入侧发生短路等故障时...
阅读更多 -
变频调速代替外接电位器给定
变频技术
在变频器的外接给定方式中,人们习惯于使用电位器来进行频率给定,如图 7-12a 所示。但电位器给定有许多缺点,诸如: (1) 电位器给定是电压给定方式之一,属于模拟量给定,给定精...
阅读更多 -
变频器PID控制中目标值的描述与确定
变频技术
(1) 目标信号用百分数描述。因为变频调速系统中,被控制的物理量是各不相同的(如压力、温度、流量、真空度等),即使是相同的物理量,又因为传感器的量程不同,以及传感器输出...
阅读更多 -
变频调速制动转矩的计算
变频技术
1 .制动过程中的主要矛盾 电力拖动系统在降速或停止的过程中,一方面,系统的惯性(具体反映是飞轮力矩 GD )力图维持原来的转速;另一方面,为了使系统的转速能够迅速下降,电...
阅读更多 -
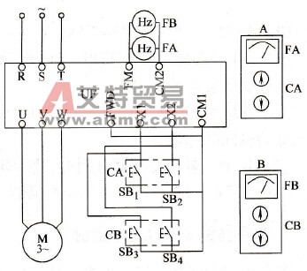
变频调速两处升、降速控制
变频技术
在生产实际中,常常需要在两个或多个地点都能对同一台电动机进行升、降速控制。在大多数情况下,这是通过外接控制来实现的。 (1) 电路的构成。如图 7-13 所示, SB1 和 SB2 是一组升...
阅读更多 -
变频器PID控制中电动机的起动问题
变频技术
部分电力拖动系统在起动前的被控量与目标值之间的差值较大,例如,某会议室,由鼓风机吹人冷空气来降温,如图 7-27a 所示。会议室在不开会时,是没有必要吹入冷空气的,故室内温...
阅读更多
