变频技术
变频技术
-
变频器剩余电流动作保护器的选型与安装
变频技术
(1) 剩余电流动作保护器的选型 如表 3-7 所示。特别提示:每个变频器只连接一个剩余电流保护器;当存在制动电阻时,为剩余电流保护器提供其他保护措施防止直接接触。 表 3-7 剩余电...
阅读更多 -
变频器的斩控整流电路
变频技术
采用斩波控制方式实现负载端直流电能控制的可控整流电路称为斩控整流电路。斩控是将固定的直流电压变换成可变直流电压的过程。 相控整流电路由于采用电网换相方式,不需要专门...
阅读更多 -
变频器应用中电磁兼容的定义
变频技术由于在运行中的半导体开关器件的 PWM 高速通断动作,导致输出电压波形中包含着许多谐波分量,引起高次谐波和电磁干扰,会对其本身及外围敏感电子设备(如对工厂自动化生产线、...
阅读更多 -
常见的实用可控整流电路
变频技术
1) 可控不可逆(单向)整流电路 图 2-20 所示的单向晶闸管整流器电路属可控型的整流电路,这种整流电路一般只是控制晶闸管的导通角,可完成控制直流侧的电压等。 2) 双向可控的可...
阅读更多 -
变频器应用中电磁兼容的标准
变频技术EMC 国际标准分为辐射标准和防护标准。辐射标准用于限制电气、电子设备辐射的干扰波。防护标准则用于提高电气、电子设备对外干扰的耐受能力。 EMC 标准包含基本标准、通用标准、...
阅读更多 -
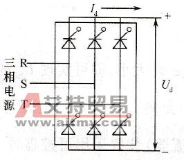
泛用型变频器的不控整流电路
变频技术
在变频器的设计生产中,一些非四象限的泛用型变频器常采用不控整流电路(即不可逆型整流电路),整流电路在泛用型变频器的工作中只需完成将三相交流转换为直流即可,故从节省...
阅读更多 -
变频器应用中电磁兼容问题的解决技术方法
变频技术由于电力电子技术的广泛应用,各种电磁环境的复杂性,要完全消除电磁噪声干扰是不可能的。但是,根据电磁兼容性原理,可以采取许多控制技术措施减小干扰,使电磁噪声干扰控制...
阅读更多 -
图解泛用型变频器所采用的不控整流电路的工作
变频技术
为便于理解不控整流电路,特用图 2-24 所示的三相工频交流的变化周期及不同时刻整流电路的状态来描述整流电路的工作过程。 图 2-24 三相工频交流时刻 (1)t0 ~ t1 时, R 相、 T 相处正...
阅读更多 -
变频器应用中在电磁兼容方面的工作
变频技术解决电磁兼容性问题需要开展下面几方面的工作。 ①电磁环境评价。通过实测或数字仿真等手段,对设备在运行时可能受到的电磁干扰水平(幅值、频率、波形等)进行估计。如利用可...
阅读更多 -
变频器的半控型逆变电路
变频技术由半控型器件组成的逆变电路称为半控型逆变电路。半控型器件指控制极在器件导通后即失去控制作用的器件。例如,普通晶闸管及其大部分派生器件即属于这一类。关断这类器件必须...
阅读更多
