变频技术
变频技术
-
变频器与电动机之间是否需要加热继电器?
变频技术
和输出接触器类似,当一台变频器只控制一台电动机,且并不要求和工频进行切换时,由于变频器本身具有热保护功能,所以没有必要接热继电器。 当一台变频器接多台电动机时,由于...
阅读更多 -
变频器的单极性SPWM法
变频技术
(1) 调制波和载波如图 2-13a 所示,曲线①是正弦调制波,其周期决定于所需要的调频比 kf ,振幅值决定于 ku 。曲线②是采用等腰三角波的载波,其周期决定于载波频率,振幅不变,等于...
阅读更多 -
变频器墙挂式安装和柜式安装哪个好?
变频技术一般来说,墙挂式安装的主要优点是散热好,但对周围环境的要求较高。 另一方面,变频器往往还有许多外围器件,如空气断路器、接触器、快速熔断器、电抗器、滤波器等。因此,在...
阅读更多 -
为什么变频器的输出线有时需要加粗?
变频技术因为变频器的输出电压和输出功率是一起变化的,当输出频率很低时,输出电压也很低。因此,低频运行时线路上的电压降所占的比例将增大,使电动机实际得到的电压减小,严重的将...
阅读更多 -
变频器的双极性SPWM法
变频技术
(1) 调制波和载波。调制波仍为正弦波,其周期决定于 kf ,振幅决定于 ku ,如图 2-15a 中曲线①。载波为双极性的等腰三角波(见图 2-15a 中曲线②),其周期决定于载波频率,振幅不变...
阅读更多 -
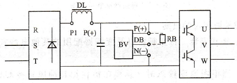
变频器各端子的功能是怎么样的?
变频技术
变频器内部主电路引出端子如图 6-3 所示。 图 6-3 变频器主电路引出端子 变频器主电路端子的功能见表 6-1 ,控制电路端子的功能见表 6-2 。 表 6-1 变频器主电路端子 表 6-2 变频器控制电...
阅读更多 -
为什么变频器的输入和输出端绝对不允许接错?
变频技术
变频器输入端 R 、 S 、 T 与输出端 U 、 V 、 W 不能接错。变频器的输入端 R 、 S 、 T 是与三相整流桥输入端相连接,而输出端 U 、 V 、 W 是与三相异步电动机相连接的晶体管逆变电路。...
阅读更多 -
变频器实施SPWM的基本要求
变频技术(1) 必须实时地计算出调制波(正弦波)和载波(三角波)的所有交点的时间坐标,根据计算结果,有序地向逆变桥中各逆变器件发出通和断的动作指令。 (2) 调节频率时,一方面,调制...
阅读更多 -
变频器控制电路的电源应接到哪里?
变频技术必须接至接触器主触点的前面。因为,当变频器发生故障时,接触器的主触点将断开。这时,控制电路应保持通电,继续显示故障原因和发生报警信号。...
阅读更多 -
变频调速的多速电动机,为什么不能在运行中改
变频技术如果在变频调速系统中,为了扩大调速范围而必须选用多速电动机时,由于多速电动机是用改变定子绕组接线方法,改变极对数,实现调速目的。如果在变频器运行中改变电动机的绕组...
阅读更多
