变频技术
变频技术
-
变频调速系统电源与电动机间的连接,应接入哪
变频技术
变频器在实际应用中,还需要和许多外围设备一起使用。外围设备通常都是选购配件,分为常规配件和专用配件两种,如图 5-2 所示。 图 5-2 变频器的外围设备 图中①为电源变压器;②...
阅读更多 -
输入滤波器和噪声滤波器有什么异同?
变频技术
二者都是用于削弱频率较高的谐波电流,防止通过电磁辐射干扰附近设备的工作。区别如下。 ①结构上的区别 输入滤波器的电路结构比较复杂,如图 5-6 中的 NF 所示(不同生产厂家的...
阅读更多 -
出线电抗器的作用是什么?
变频技术主要作用是:当电动机和变频器之间的距离较远时,补偿分布电容的影响,并能抑制变频器输出的谐波,起到减小变频器噪声的作用。...
阅读更多 -
抑制变频器输入侧干扰的措施
变频技术
(1) 配电变压器容量非常大的情况。当变频器使用在配电变压器容量大于 500kVA 或变压器容量大于变频器容量 10 倍以上时,在变频器输入侧加装交流电抗器 XL ,如图 7.8 所示。 图 7.8 变频...
阅读更多 -
变频器常见故障及处理
变频技术变频器控制系统常见的故障类型主要有过电流、短路、接地、过电压、电源缺相、变频器内部过热、变频器过载、电动机过载、 CPU 异常、通信异常等。当发生这些故障时,变频器保护...
阅读更多 -
变频器与PLC的链接技术方法
变频技术
可编程控制器 (PLC) 是一种数字运算和操作的电子控制装置。 PLC 作为传统继电器的替代品,已经广泛应用于工业控制的各个领域。由于它可通过软件来改变控制过程,且具有体积小、组...
阅读更多 -
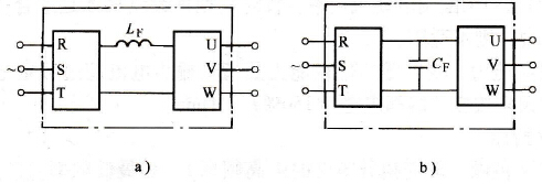
抑制变频器输出侧干扰的措施
变频技术
变频器的输出侧亦存在波形畸变,即亦存在高次谐波,且高次谐波的功率较大,这样变频器就成为一个强有力的干扰源,其干扰途径与一般电磁干扰是一致的,分为辐射、传导、电磁耦...
阅读更多 -
变频调速基本原理
变频技术
1 .变频器的功用变频器的功用是将频率固定(通常为工频 50Hz )的交流电(三相的或单相的)变换成频率连续可调(多数为 0~ 400Hz )的三相交流电源。 如图 2-1 所示,变频器的输入端...
阅读更多 -
变频器与PC的通信技术方法
变频技术
在数字信息传送中,串行接口的应用越来越广泛。目前主要使用的串行接口有 RS-232 和 RS-485/422 两种方式,由于 RS-232 接口适用的范围只有 30m ,在变频器上使用的多为 RS-485 半双工工作...
阅读更多 -
变频器的基本类别
变频技术
1 .按变换环节分 (1) 交 - 交变频器把频率固定的交流电源直接变换成频率连续可调的交流电源。其主要优点是没有中间环节,故变换效率高,但其连续可调的频率范围窄,一般为额定频...
阅读更多
