CAD画图

 

CAD画图

  • 中望CAD文件修复的几种方式

    我们在CAD的使用过程中会遇到我们的文件收到损坏,需要修复的时候,我们这次就为大家列出几种CAD文件修复的方法,我们一起来看看吧。 A、 大家熟知的 CAD软件本身自带的一个修复...

    阅读更多
  • 中望CAD创建面域的几种办法

    面域是具有物理特性(例如形心或质量中心)的二维封闭区域,可以将现有面域组合成单个、复杂的面域来计算面积。 面域是使用形成闭合环的对象创建的二维闭合区域。环可以是直线...

    阅读更多
  • 中望CAD图纸中多出的Defpoints图层是什么?

    为什么要单独讲一下这个图层呢?很多人注意到,自己画着画着图就多了一个Defpoints图层,很多人不知道这个图层是干什么用的,而且如果将图形放到这个图层上的话,会给打印带来很...

    阅读更多
  • 中望CAD中二维点的输入方式

    CAD画图  中望CAD中二维点的输入方式

    我们在CAD的使用中的时,有不同的多种的输入二维点的方法,我们可以根据不同的情况,采用不同的输入方式来完成我们的绘制工作,下面我们来说说几种不同的输入点的方式吧。 1、...

    阅读更多
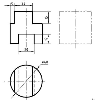
  • 中望CAD如何绘制立体的三视图

    CAD画图 中望CAD如何绘制立体的三视图

    一、目的:掌握极轴、对象捕捉、对象追踪来实现视图间长对正、高平齐。 二、内容:绘制如图所示的立体三视图。 三、重难点提示: 1 .夹点编辑、极轴追踪的操作。 夹点编辑:首...

    阅读更多
  • 中望CAD如何将图层锁定

    我们有时候会收到别人给我们的CAD的施工平面设计布置图,图层数量繁多,颜色也是五花八门的。我们时常需要根据设计总图来布置我们的图纸,如果我们利用锁定图层去锁定我们不需...

    阅读更多
  • 中望CAD渲染时,出现缺少资源提示怎么办

    CAD画图 中望CAD渲染时,出现缺少资源提示怎么办

    如果我们在中望CAD中绘制好我们图形后,进行渲染时候,系统给我们缺少资源的提示是什么原因呢? 我们来看看遇到这样的问题的时候,我们该如何去解决吧。 对于这种情况首先可在...

    阅读更多
  • 中望CAD如何制作建筑坡屋面?

    CAD画图 中望CAD如何制作建筑坡屋面?

    我们在设计建筑的时候,如何运用CAD去制作一个建筑的坡屋面呢? 我们来看看下面的操作步骤吧, 1.我们先建好自己的轴线,轴网,为我们的坡屋面的架构。 2.在坡屋面处,节点设柱,...

    阅读更多
  • 中望CAD打断对象与打断于点操作方法的区别

    CAD画图 中望CAD打断对象与打断于点操作方法的区别

    打断对象 从指定的点处将对象分成两部分,或删除对象上所指定两点之间的部分。命令:BREAK。 1. 事先绘制图形 2.修改工具栏 或选择“修改”,“打断”命令,即执行BREAK命令 3.CAD提示...

    阅读更多
  • 中望CAD里点的四种输入形式

    1、拾取点: 拾取点的主要方法。执行命令提示输入点时,用户可以用定点设备(如鼠标或数字化仪等)把十字准线移到绘图区的适当位置来拾取点。 2、绝对直角坐标: 如果用户知道...

    阅读更多