您现在的位置是:首页 > 电气技术 > 电气技术
BTL功率放大器识图
来源:艾特贸易2017-10-30
简介BTL是“平衡式无输出变压器”的英文缩写。此类功率放大器属于桥式推挽放大电路。BTL功率放大器的特点:一是采用单电源供电方式,二是采用上升沿和下降沿脉冲信号触发,三是采用
BTL是“平衡式无输出变压器”的英文缩写。此类功率放大器属于桥式推挽放大电路。BTL功率放大器的特点:一是采用单电源供电方式,二是采用上升沿和下降沿脉冲信号触发,三是采用双端直接耦合输出方式。此类功率放大器的效率高于OCL功率放大器,所以广泛应用在新型彩色电视机、彩色显示器、音响等电路中。
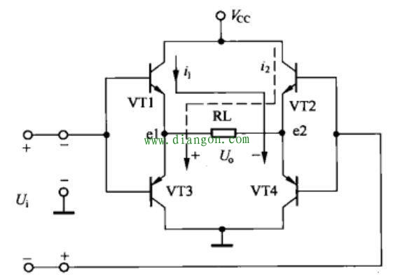
典型BTL功率放大器如下图所示。BTL功率放大器的功率放大管是由两个互补对称电路构成的四桥臂电路,负载RL接在两个互补对称电路的输出端,并且采用直接耦合输出方式。

点击排行
室内风扇电机和霍尔元件的检测