您现在的位置是:首页 > 电气技术 > 电气技术
双速电机的基本调速原理
来源:艾特贸易2017-11-04
简介根据公式;n=60f/p,可知异步电动机的同步转速与磁极对数成反比,磁极对数增加一倍,同步转速n下降至原转速的一半,电动机额定转速n也将下降近似一半,所以改变磁极对数可以达到
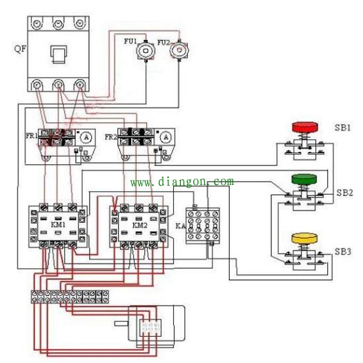
根据公式;n=60f/p,可知异步电动机的同步转速与磁极对数成反比,磁极对数增加一倍,同步转速n下降至原转速的一半,电动机额定转速n也将下降近似一半,所以改变磁极对数可以达到改变电动机转速的目的。这种调速方法是有级的,不能平滑调速,而且只适用于鼠笼式电动机。主要是通过以下外部控制线路的切换来改变电机线圈的绕组连接方式来实现。

1、在定子槽内嵌有两个不同极对数的共有绕组,通过外部控制线路的切换来改变电机定子绕组的接法来实现变更磁极对数;
2、在定子槽内嵌有两个不同极对数的独立绕组;
3、在定子槽内嵌有两个不同极对数的独立绕组,而且每个绕组又可以有不同的联接。
点击排行
室内风扇电机和霍尔元件的检测