您现在的位置是:首页 > 电气技术 > 电气技术
电力变压器基础知识图解大全
来源:艾特贸易2017-03-18
简介电力变压器基础知识图解大全 一、变压器的种类和功能特点 变压器是一种用来变换电压、电流或阻抗的电气部件,是电力系统中输配电力的主要设备,其实物外形如图1-1所示。 图1-1
电力变压器基础知识图解大全
一、变压器的种类和功能特点
变压器是一种用来变换电压、电流或阻抗的电气部件,是电力系统中输配电力的主要设备,其实物外形如图1-1所示。
图1-1 变压器的实物外形
在远距离传输电力时,可使用变压器将发电站送出的电压升高,以减少在电力传输过程中的损失,以便于远距离输送电力;在用电的地方,变压器将高压降低,以供用电设备和用户使用。变压器的分类方式有很多种,根据其电源相数的不同,主要可以分为单相变压器和三相变压器。
1单相变压器的功能特点
图1-2 单相变压器的结构特点
单相变压器是一种初级绕组为单相绕组的变压器。如图1-2所示,单相变压器的初级绕组和次级绕组均缠绕在铁芯上,初级绕组为交流电压输入端,次级绕组为交流电压输出端。次级绕组的输出电压与线圈的匝数成正比。
单相变压器可将高压供电变成单相低压,供各种设备使用,例如可将交流6600V高压经单相变压器变为交流220V低压,为照明灯或其他设备供电,如图1-3所示。单相变压器有结构简单、体积小、损耗低等优点,适宜在负荷较小的低压配电线路(60Hz以下)中使用。
图1-3 单相变压器的功能示意图
单相变压器多用于农村输配电系统中,以及一些照明或小型电动机的供电中,其应用实例如图1-4所示。此外在很多电子电气设备中,它也可作为电源变压器使用。
图1-4 单相变压器的应用实例
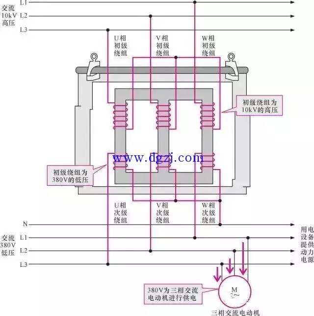
2三相变压器的功能特点
三相变压器是电力设备中应用比较多的一种变压器。三相变压器实际上是由3个相同容量的单相变压器组合而成的,初级绕组(高压线圈)为三相,次级绕组(低压线圈)也为三相,如图1-5所示。
图1-5 三相变压器的结构特点
三相变压器主要用于三相供电系统中的升压或降压,比较常用的就是将几千伏的高压变为380V的低压,为用电设备提供动力电源,如图1-6所示。
图1-6 三相变压器的功能示意图
三相变压器的应用范围比较广泛,例如变电站、工矿企业、建筑工地、排灌设备、邮电、纺织、铁路、学校、医院、国防、电梯等,同时也适用于一些电源电压低、波动较大的低压配电线路中。其应用实例如图1-7所示。
图1-7 三相变压器的应用实例
二、变压器的型号与技术参数
电气系统中应用最多的就是电力变压器,由于电力变压器的种类很多,其型号的标识以及参数也有所不同,因此常常将这些型号与参数标识在变压器的铭牌上,以便于在安装和检修时进行查看。图1-8所示为典型电力变压器的铭牌标识。
图1-8 典型电力变压器的铭牌标识
在变压器的铭牌上,标识有该变压器的型号以及技术参数等内容,下面分别介绍一下变压器的型号含义和技术参数。
1变压器的型号含义
变压器的种类有很多,为了便于区别各种不同类型的变压器,通常使用字母或数字对变压器的型号命名进行标识。变压器的型号通常是由字母和数字组成的,用来表示变压器的相数、冷却方式、调压方式、绕组线芯材料、绕组连接方式等内容,如图1-9所示。
图1-9 变压器的型号命名方法
产品名称:变压器的产品名称通常用字母来表示,表示产品的线圈耦合方式、相数、冷却方式、线圈数、线圈导线材质、调压方式以及特殊用途等内容,见表1-1所列。
表1-1 变压器的产品名称含义
续表
产品名称:变压器的产品名称通常用字母来表示,表示产品的线圈耦合方式、相数、冷却方式、线圈数、线圈导线材质、调压方式以及特殊用途等内容,见表1-1所列。
设计序号:也称技术序号,用数字表示,表示同类产品中的不同品种,以区分产品的外形尺寸和性能指标等,有时会被省略。
额定容量:变压器的额定容量用“kVA”来表示,可以读作“千伏安”。变压器使用kVA作单位,原因是在负载没有确定的情况下,是不能得到有功功率(符号P,单位kW)和无功功率(符号Q,单位kvar)的大小的,只能使用kVA为单位表示功率,例如1kVA的变压器的输出功率约为1kW。
高压侧额定电压:变压器的高压侧额定电压即为初级绕组输入端输入的额定电压值,一般用字母“kV”表示,例如10kV表示变压器初级绕组可输入10kV的电压。
2变压器的主要技术参数
变压器的主要技术参数一般都标注在变压器的铭牌上,一般包括额定容量、额定电压、额定电流、冷却方式、额定频率、绝缘电阻、绕组联结组、相数、阻抗电压等,如图1-10所示。
图1-10 变压器铭牌上的技术参数标识
此外,变压器的技术参数还有空载损耗、负载损耗、温升方式、空载电流、吊重、油重、总重、运输重、油箱耐受真空能力等,如图1-11所示。
图1-11 变压器的其他技术参数
三、变压器在线路中的符号标识
变压器一般用于电气设备的控制线路以及配电线路中,是电气设备控制线路中比较常用的设备之一,因此了解变压器在线路中的符号标识也是非常重要的。变压器在线路中一般用字母“T”表示,并使用图形符号进行标识,如图1-12所示。
图1-12 变压器在线路中的符号标识
变压器的一般图形符号有两种,分别用于配电线路和电气线路中,其中电压输入端为变压器的初级绕组,电压输出端为变压器的次级绕组。此外带有磁芯或中心抽头的变压器,在其图形符号中也有所表示,如图1-13所示。
图1-13 变压器的图形符号
图1-14 三绕组变压器的图形符号
有些三相变压器在图形符号中还可以体现出变压器的连接方式,如图1-15所示。
图1-15 三相变压器图形符号表示的连接方式
在实际的线路中,单相变压器的连接方式有两种,分别为串联方式和并联方式,如图1-16所示。变压器经串联可以得到较大的额定电压,而并联可以得到较大的额定电流。
图1-16 单相变压器在线路中的连接方式
三相变压器内部的绕组较多,最常用的就是星形(Y形)的联结方式,这种结构是指三相变压器的初级绕组以Y形进行联结,即每个绕组的末端连接到中性点上,绕组的另一端与相应的线路进行连接,如图1-17所示。
图1-17 三相变压器星形联结方式
三相变压器在线路中最常用的就是Y-Y形联结,即初级绕组和次级绕组均用Y形的联结方式,如图1-18所示。
图1-18 三相变压器Y-Y形联结方式
点击排行
室内风扇电机和霍尔元件的检测