您现在的位置是:首页 > 电气技术 > 电气技术
电动机定子串电阻降压启动电路图
来源:艾特贸易2017-03-18
简介电动机定子串电阻降压启动电路图 鼠笼异步电动机可以采用启动时给定子电路中串联降压电阻(或电抗器)的办法来启动电动机,待电动机启动结束时再将电阻(或电抗器)短接掉。
电动机定子串电阻降压启动电路图
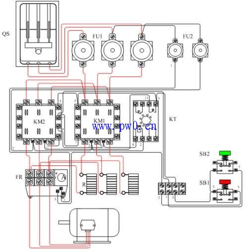
鼠笼异步电动机可以采用启动时给定子电路中串联降压电阻(或电抗器)的办法来启动电动机,待电动机启动结束时再将电阻(或电抗器)短接掉。
由于在电阻上有热能的损耗,如果用电抗器则体积、成本又较大,因此这种串电阻降压启动电动机的方法目前很少被采用。下图所示的为串电阻降压启动原理线路图:
电动机定子串电阻降压启动接线图
点击排行
室内风扇电机和霍尔元件的检测