您现在的位置是:首页 > 电气技术 > 电气技术
电压互感器常见三种接线方法分析
来源:艾特贸易2017-03-18
简介电压互感器常见三种接线方法分析 电压互感器在电力系统是最常见有的三种接线方法,其特点与性能各不相同,应用领域也有所差别,具体分析如下、 1、一台单相电压互感器I/I形接线
电压互感器常见三种接线方法分析
电压互感器在电力系统是最常见有的三种接线方法,其特点与性能各不相同,应用领域也有所差别,具体分析如下、
1、一台单相电压互感器I/I形接线
在三相线路中,这种接线只能测量某两相之间的线电压,它用于连接电压表、频率表及电压继电器等.如圈1所示。
2、两台单相电压互感器V/V形接线
v/v形接线又称不完全三角形接线。在三相三线高压系统中,电度计量装置(如计量柜)常采用两台型号相同的单相电压互感器组成v/v形接线,如图2所示。
这种接线方式可以用于连接电压表、三相电度表及电压继电器等.其特点是接线简单,因此.广泛应用于中性点不接地系统或经消弧电抗器接地的系统中。
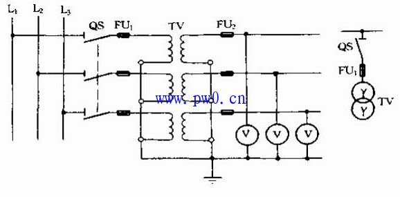
3、三台单相电压互感器Yo/Yo形接线
这种接线方式能满足仪表和继电保护装置选用相电压和线电压的要求,而且由于一次绕组的中性点直接接地,还可以用于绝缘监视(即监视系统一相接地故障),其接线如图3所示。
图4所示为采用Yo/Yo/△形接线的三相五柱式电压互感器,它既能测量线电压、相电压,又能组成绝缘监视和供单相接地保护用。
因此.在中性点不接地系统中被广泛应用。两套二次绕组中,Yo接线的称为基本绕组,用于接仪表、继电器及绝缘监视用的电压表;△接线的称为辅助绕组,用于接绝缘监视用的电压继电器Kv。
在供电系统正常运行时,开口三角形两端的电压近似等于零,当系统发生一相接地时,开口三角形两端出现零序电压,使电压继电器Kv吸合。发出报警信号。
点击排行
室内风扇电机和霍尔元件的检测