您现在的位置是:首页 > 电气技术 > 电气技术
双互锁顺逆启动交流接触器控制电动门接线图
来源:艾特贸易2017-03-18
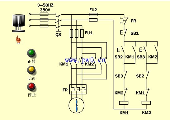
简介双互锁顺逆启动交流接触器控制电动门接线图 下图为两个接触器的电动机正反转控制电路。 两个接触器的电动机正反转控制电路 上图中,若同时按下 SB2 和 SB3 ,则接触器 KM1 和 KM2 线
双互锁顺逆启动交流接触器控制电动门接线图
下图为两个接触器的电动机正反转控制电路。
两个接触器的电动机正反转控制电路
上图中,若同时按下 SB2 和 SB3 ,则接触器 KM1 和 KM2 线圈同时得电并自锁,它们的主触点都闭合,这时会造成电动机三相电源的相间短路事故,所以该电路不能使用。
为了避免两接触器同时得电而造成电源相间短路,在控制电路中,分别将两个接触器 KM1 、 KM2 的辅助动断触点串接在对方的线圈回路里,如下图所示。
这种利用两个接触器(或继电器)的动断触点互相制约的控制方法叫做 互锁 (也称联锁),而这两对起互锁作用的触点称为互锁触点。
接触器互锁的电动机正反转控制的工作原理如下:
首先合上电源开关 QS 。
正转起动:
停止:
反转起动:

点击排行
室内风扇电机和霍尔元件的检测