您现在的位置是:首页 > 电气技术 > 电气技术
五种电机软启动器接线图
来源:艾特贸易2017-03-18
简介一、CMC-L系列数码型电机软启动器是一种将电力电子技术,微处理器和自动控制相结合的新型电机起动、保护装置。它能无阶跃地平稳起动/停止电机,避免因采用直接起动、星/三角起动
一、CMC-L系列数码型电机软启动器是一种将电力电子技术,微处理器和自动控制相结合的新型电机起动、保护装置。它能无阶跃地平稳起动/停止电机,避免因采用直接起动、星/三角起动、自耦减压起动等传统起动方式起动电机而引起的机械与电气冲击等问题,并能有效地降低起动电流及配电容量,避免增容投资。
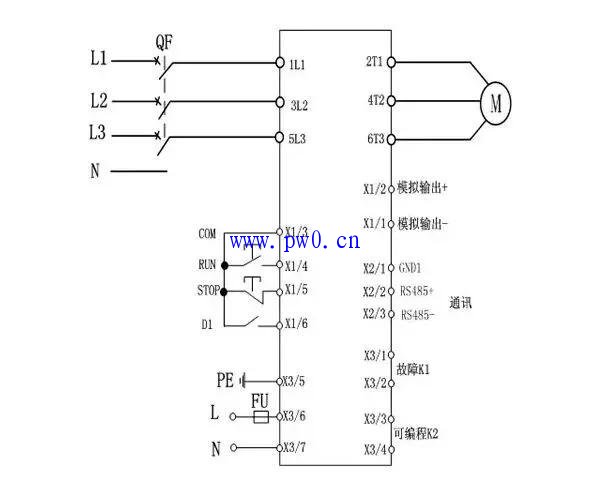
1、CMC-L系列数码型电机软启动器基本接线原理图:软起动器端子1L1、3L2、5L3接三相电源,2T1、4T2、6T3接电动机。当采用旁路接触器时,可通过内置信号继电器K2控制旁路接触器。
2、CMC-L系列数码型电机软启动器基本接线示意图:
3、CMC-L系列数码型电机软启动器典型应用接线图:
注意:
1.上图所示为单节点控制方式。接点闭合软起动起动,接点打开软起动器停止。但要注意这种接线LED面板起动操作无效。端子3、4、5起停信号是一个无源节点。
2.PE接地线应尽可能短,接于距软起动器最近的接地点,合适的接地点应位于安装板上紧靠软起动器处,安装板也应接地,此处接地为功能地而不是保护接地。
3. 电流互感器副边线径不小于2.5mm2。
二、CMC-M系列数码智能型电机软启动器是一种将电力电子技术,微处理器和自动控制相结合的新型电机起动、保护装置。它能无阶跃地平稳起动/停止电机,避免因采用直接起动、星/三角起动、自耦减压起动等传统起动方式起动电机而引起的机械与电气冲击等问题,并能有效地降低起动电流及配电容量,避免增容投资。
1、基本接线原理图软起动器端子1L1、3L2、5L3接三相电源,2T1、4T2、6T3接电动机。软起动器可通过参数设定选择是否检测相序。当采用旁路接触器时,可通过内置信号继电器K2控制旁路接触器。
2、基本接线示意图
3、典型应用接线图
注意:
1.上图所示为单节点控制方式。接点闭合软起动起动,接点打开软起动器停止。但要注意这种接线LED面板起动操作无效。端子3、4、5起停信号是一个无源节点。
2.PE接地线应尽可能短,接于距软起动器最近的接地点,合适的接地点应位于安装板上紧靠软起动器处,安装板也应接地,此处接地为功能地而不是保护接地。
3. 电流互感器副边线径不小于2.5mm2。电流互感器接线时要注意方向P表示进线,K表示出线。请按照典型应用接线图接线。
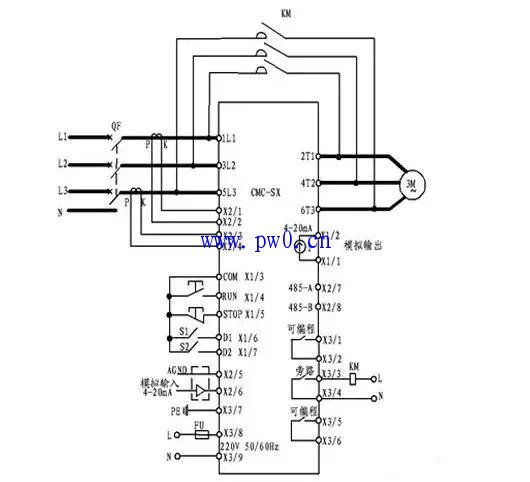
三、CMC-SX系列汉显智能型电机软启动器是国内唯一一款基于32位ARM核微控制器开发的电机软起动器,是一种新型智能化的异步电动机起动、保护装置。它是集起动、显示、保护、数据采集于一体的电机终端控制设备。用户使用较少的元件,就可实现较复杂的控制功能。而中英文界面显示又使得操作更简便。
1、基本接线原理图软起动器端子1L1、3L2、5L3接三相电源,软起动器端子2T1、4T2、6T3接电动机。软起动器可通过参数设定选择是否检测相序。当采用旁路接触器时,可通过内置信号继电器K2控制旁路接触器。
2、基本接线示意图
3、典型应用接线图
注意:
1.上图所示为单节点控制方式。接点闭合软起动起动,接点打开软起动器停止。但要注意这种接线LCD面板起动操作无效。端子3、4、5起停信号是一个无源节点。
2.PE接地线应尽可能短,接于距软起动器最近的接地点,合适的接地点应位于安装板上紧靠软起动器处,安装板也应接地,此处接地为功能地而不是保护接地。
3. 电流互感器副边线径不小于2.5mm2。电流互感器接线时要注意方向P表示进线,K表示出线。请按照基本接线图接线。
四、CT系列分级变频软启动器是采用电力电子技术、微处理器技术及现代控制理论技术生产的具有当今国际先进水平的新型起动设备。通过对晶闸管的控制达到有级变频、无级调压、小起动电流、大起动转矩的起动特性。集起动、显示、保护、数据采集于一体。用户使用较少的元件,就可实现较复杂的控制功能。而中英文界面显示又使得操作更简便。
1、基本接线原理图软起动器端子1L1、3L2、5L3接三相电源、2T1、4T2、6T3接电动机、B1、B2、B3接旁路接触器。软起动器可通过参数设定选择是否检测相序。当采用旁路接触器时,可通过内置信号继电器K2控制旁路接触器。
2、典型应用接线图
注意:
1.上图所示为单节点控制方式。接点闭合软起动器起动,接点打开软起动器停止。但要注意这种接线LCD面板起动操作无效。端子X1\1、X1\2、X1\3起停信号是一个无源节点。
2.PE接地线应尽可能短,接于距软起动器最近的接地点,合适的接地点应位于安装板上紧靠软起动器处,安装板也应接地,此处接地为功能地而不是保护接地。
五、CMC-MX系列内置旁路型电机软启动器是一种将电力电子技术,微处理器和自动控制相结合的新型电机起动、保护装置。它能无阶跃地平稳起动/停止电机,避免因采用直接起动、星/三角起动、自耦减压起动等传统起动方式起动电机而引起的机械与电气冲击等问题,并能有效地降低起动电流及配电容量,避免增容投资。同时CMC-MX软起动器内部集成电流互感器、接触器,用户无需外接。
1、基本接线原理图软起动器端子1L1、3L2、5L3接三相电源, 2T1、4T2、6T3接电动机。无需外接旁路接触器,软起动器可通过参数设定选择是否检测相序。
2、三角形内接连接图
若用户使用三角形内接连接时,用户必须严格按照下图进行连接,否则有可能导致电机或软起损坏。本机在启动前会对电机接线进行判断,若接线错误软起会报接线错误故障。
3、典型应用接线图
注意:
1.上图所示为单节点控制方式。接点闭合软起动起动,接点打开软起动器停止。但要注意这种接线LED面板起动操作无效。端子3、4、5起停信号是一个无源节点。
2.PE接地线应尽可能短,接于距软起动器最近的接地点,合适的接地点应位于安装板上紧靠软起动器处,安装板也应接地,此处接地为功能地而不是保护接地。
点击排行
室内风扇电机和霍尔元件的检测