您现在的位置是:首页 > 电气技术 > 电气技术
信号控制双速电梯PLC程序控制实例
来源:艾特贸易2017-03-18
简介一、编制PLC 电梯 程序的步骤 1、系统设计 根据确定电梯的拖动和控制方式及其它特殊要求,根据所在单位和个人条件,计算I/O点数和选择PC机的规格型号,并设计绘制电路原理图和安装
一、编制PLC电梯程序的步骤
1、系统设计
根据确定电梯的拖动和控制方式及其它特殊要求,根据所在单位和个人条件,计算I/O点数和选择PC机的规格型号,并设计绘制电路原理图和安装接线图。
2、设计PLC梯形图程序
采用PLC作为中间过程控制的电梯电气控制,在电路原理图和安装接线图设计绘制完成后,还必须设计绘制与电路原理图对应的PLC梯形图程序,梯形图程
序是PLC内各种软硬继电器的逻辑控制图,它的逻辑控制方式类似于中间过程控制继电器之间的逻辑控制电路图,因此它是PLC控制电气系统设计工作的重要环
节之一。设计梯形图程序时,应接PLC使用手册的方法,了解PLC 的I/O接口分配、组合排列和代号,机内各种软继电器、数据区、通道代号,常用指令的编制
规则和代号等。
设计梯形图一般应遵守以下规则:
(1)I/O点和内部各种软继电器等的常开和常闭触点可多次重复使用。
(2)软继电器的线圈不能与左边的母线直接连接,应有过渡点。
(3)软继电器的右边不能再有接点。
(4)在一套梯形图中,相同代号的线圈不能重复出现。(用SET、RST指令外)
(5)PLC的输入输出点可当软继电器来使用。
3、灌输程序
PLC中之后,先要进行模拟运行。方法可用搭接线的办法模拟输入端的各种状态,观看输出信号是否达到设计要求。
编程软件介绍
我们采用三菱FX系列的PLC,可以使用三菱FX系列PLC专用编程软件FxGP/WIN来编程。该软件可以采用三种方式来编程:(1)输入指令方式(2)画梯形图方式(3)SFC编程方式。利用一根专用电缆SC-09可以与PLC通信,达到灌输或读出程序的目的。而且可以在线监控运行中的PLC,观察PLC内部各种软继电器的动作状态,使用十分方便。
二、确定I/O 接口点数、PLC选型
现在我们以编制一台3门3站的信号控制双速电梯为例,先根据控制要求计算所需要的I/O接口点数。
1、输入接口:
(1)安全回路
(2)门锁
(3)检修开关
(4)上平层感应器
(5)下平层感应器
(6)向上按钮
(7)向下按钮
(8)关门按钮
(9)开门按钮
(10)上强迫减速限位
(11)下强迫减速限位
(12)消号按钮
(13)锁梯钥匙
(14)一楼楼层感应器
(15)二楼楼层感应器
(16)三楼楼层感应器
(17)一楼指令按钮
(18)二楼指令按钮
(19)三楼指令按钮
(20)一楼向上召唤按钮
(21)二楼向上召唤按钮
(22)二楼向下召唤按钮
(23)三楼向下召唤按钮
2、输出接口
(1)上行接触器
(2)下行接触器
(3)快车接触器
(4)慢车接触器
(5)一级加速接触器
(6)一级减速接触器
(7)二级减速接触器
(8)三级减速接触器
以上为一组:选用交流200V电压的接触器
(9)开门继电器
(10)关门继电器
(11)JK继电器
(12)蜂鸣器
(13)向上方向显示
(14)向下方向显示
(15)一楼楼层显示
(16)二楼楼层显示
(17)三楼楼层显示
(18)一楼指令显示
(19)二楼指令显示
(20)三楼指令显示
(21)一楼上召唤显示
(22)二楼上召唤显示
(23)二楼下召唤显示
(24)三楼下召唤显示
以上为一组:选用交流24V电压电源根据计算,输入共23点,输出共24点,我们可以选用FX2n-48MR的PLC来编制程序(输入输出各24点)。
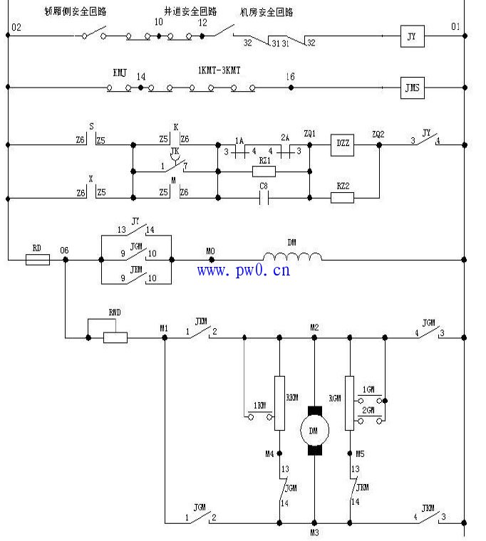
三、绘制原理图及PLC安装接线图
1、主回路
2、安全回路、门锁回路、制动器、门机回路
3、PLC接线图(输入回路)
图中线号与继电(接触)器触点号可根据实际情况自定义,这里不再画出。 另电源部分与照明部分也未画出。
4、楼层控制回路
5、指令、召唤信号的登记与消除
6、自动定向回路
7、启动关门与启动
8、开关门继电器
9、基站锁梯
10、上行、下行接触器,运行继电器
11、停站触发与停站
12、快车、慢车接触器,JK 继电
13、1A、2A、3A、4A 接触器
14、蜂鸣器、结束
四、用上行和下行换速开关来进行楼层翻转的原理
在传统的电梯电路中,通常是用楼层感应器的信号来进行楼层的翻转。这样井道中每个楼层至少要装一个感应器,占用PLC的输入点数多。由于PLC的编
程功能十分丰富,所以可以采取利用上行换速和下行换速信号来进行楼层的翻转,这样只需要在轿厢侧装两只感应器,便可实现电梯楼层的翻转及减速信号的
发出,既给安装带来方便又节约了成本。
PLC编程梯形图如下所示(四层电梯为例)
1、当电梯上行时,每当上换速感应器插入隔磁板时,使M0有一个周期的触发。
2、M0吸合一下,使寄存器D200内数值增1。
3、当电梯下行时,每当下换速感应器插入隔磁板时,使M1有一个周期的触发。
4、M1吸合一下,使寄存器D200内的数值减1。
5、当电梯下行到最低层,下强迫开关动作时,使D200内的数值强制为1。
6、当电梯上行到最高层,上强迫开关动作时,使D200内的数值强制为4。
(这里以4层为例)
这样,D200内的实际数值就反映了电梯的实际楼层数值,对D200进行解码,得出M501吸合时为1楼,M502吸合时为2楼,M503吸合时为3楼,M504吸合时为4楼。同时,电梯进行楼层翻转时也给出了电梯的减速信号。
点击排行
室内风扇电机和霍尔元件的检测