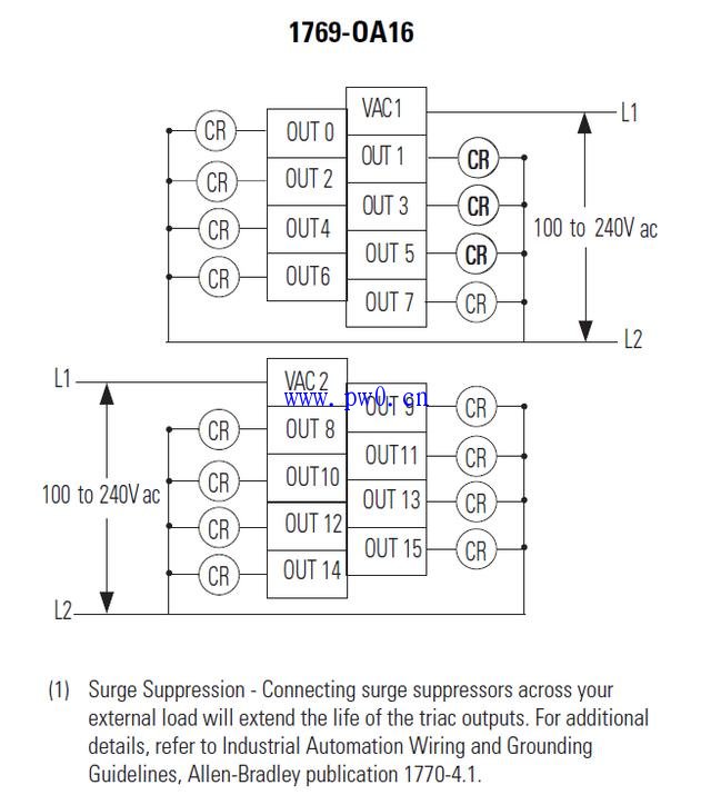
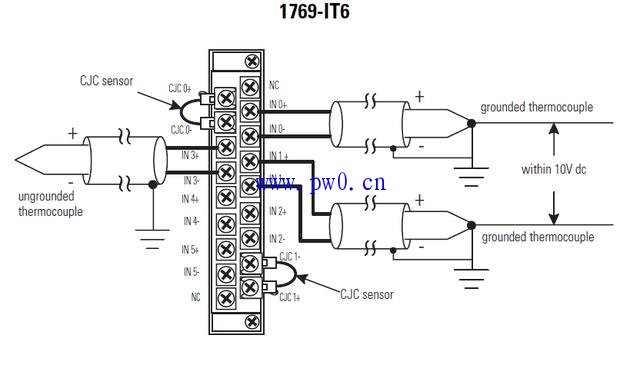
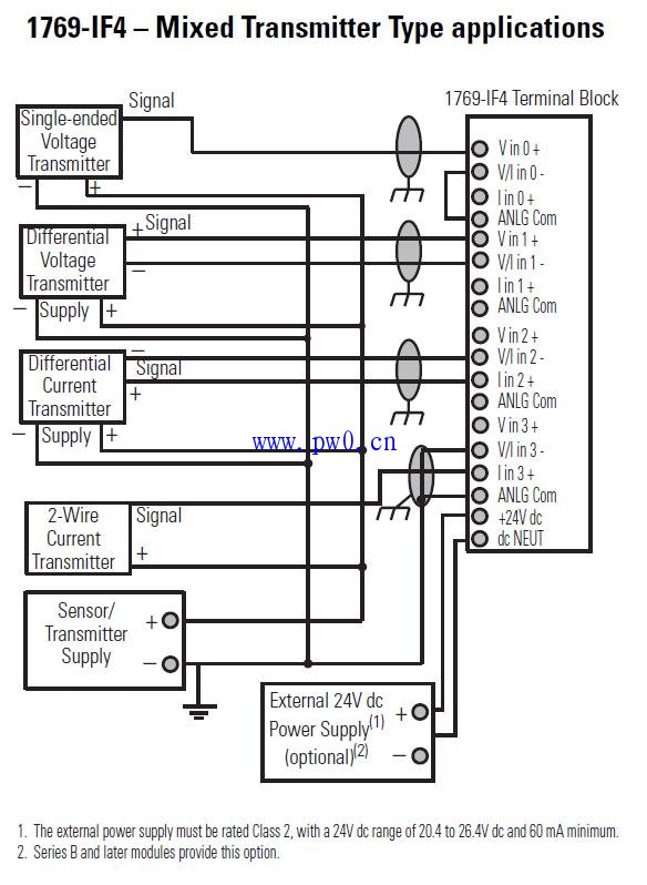
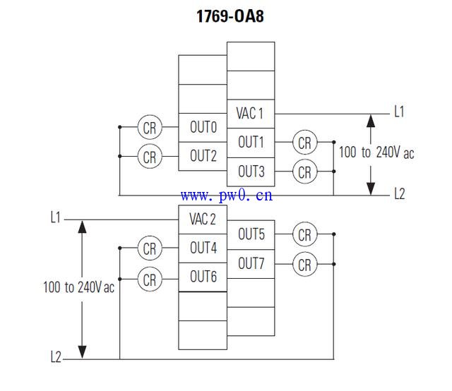
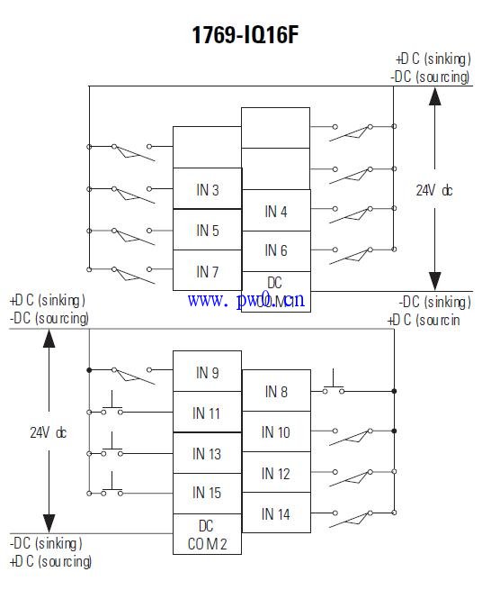
您现在的位置是:首页 > 电气技术 > 电气技术 ROCKWELL1769系列接线原理图 来源:艾特贸易2017-03-18 简介ROCKWELL1769系列接线原理图 ROCKWELL1769系列接线原理图 相关文章 电气安装接线图 变频电路的结构 单相功率表接线技术方法 三相二元件功率表接线技术方法 封闭式负荷开关 直流电流表的接线技术方法 点击排行 室内风扇电机和霍尔元件的检测 桥架90度弯头制作图解" 桥架45度弯头制作图解" 不动电表最简单偷电法" 开关l1l2l3怎么接电线?单控l1l2l3开关怎" 土建电工图纸符号大全" 日光灯功率因数的提高实验报告" 宝马拆装完发动机气门室盖无法启动" 东菱面包机电机不转故障维修方法" 本栏推荐 室内风扇电机和霍尔元件的检测 电烙铁如何修理?电烙铁不发热的问题 如何进行焊接接头的冲击试验 如何利用反变形来控制焊接残余变形 什么是多模光纤 微机保护运行的主要规定 抗晃电交流接触器的工作原理是什么 如何进行钢与铜及铜合金的焊接 简单串联型稳压电路及稳压原理 什么叫电源 什么是力矩电动机,怎样选择