电气技术
电气技术
-
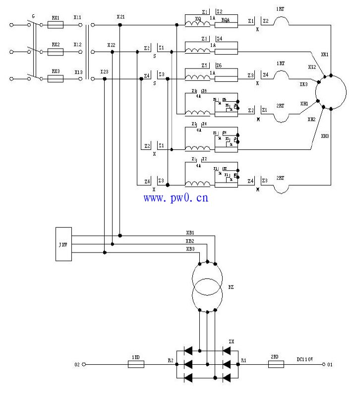
信号控制双速电梯PLC程序控制实例
电气技术
一、编制PLC 电梯 程序的步骤 1、系统设计 根据确定电梯的拖动和控制方式及其它特殊要求,根据所在单位和个人条件,计算I/O点数和选择PC机的规格型号,并设计绘制电路原理图和安装...
阅读更多 -
无源触点和有源触点区别
无源触点和有源触点区别 有源触点是指触点一端接有外部电源,当触点闭合时便向系统输入一个高电平信号,无源触点则不需要外部电源,系统监测的是触点的通断状态来判断有无输入...
阅读更多 -
电梯控梯形图设计的规则和技巧
电气技术
电梯 控梯形图设计的规则和技巧 一、梯形图中的触点应画在水平线上,而不能画在垂直分支上,如图1(a),由于X005画在垂直分支上,这样很难判断与其他触点的关系,也很难判断X...
阅读更多 -
PLC如何画梯形图
电气技术
PLC如何画梯形图 首先将编程元件库设置为当前活动库。 1.在左边画一条母线,其操作是将光标移到起点位置,按下F,再将光标下移至适当位置,并按回车键。 2.将光标移至左侧母线适...
阅读更多 -
电梯三菱fx2nplc功能指令控制实例
电气技术
电梯 三菱fx2n plc 功能指令控制实例 FX2N PLC基本指令: 1、触点取用与线圈输出指令 LD、LDI、OUT 2、单个触点串联指令 AND、ANI 3、单个触点并联指令 OR、ORI 4、串联电路块的并联 OR 5、并联...
阅读更多 -
变频器西门子420引脚端子功能图
电气技术
变频器西门子420引脚端子功能图 1、各个引脚端子功能见图: 2、引脚,又叫管脚,英文叫Pin。就是从集成电路(芯片)内部电路引出与外围电路的接线,所有的引脚就构成了这块芯片的...
阅读更多 -
梯形图程序按顺序动作的步进控制系统
根据功能流程图再设计出梯形图程序按顺序动作的步进控制系统,在本例中采用塑壳断路器移位寄存器编程方法。 用移位寄存器的M10.1-M11.2位。代表沈程图的各步,两步之间的转换条件...
阅读更多 -
plc定时器预置值表示方法
电气技术1、定时器预置值的表示方法 可以按下列的形式将时间预置值装入累加器的低位字: 1)十六进制数W#16#wxyz,其中的w是时间基准,xyz是BCD码格式的时间值,#号必须是英文字符。 2) S5T#aH_...
阅读更多 -
plc控制系统如何操作机械手
plc控制系统如何操作机械手 机械手的任务是将工件从工作台A搬往工作台B,试设计该机械手的PLC控制系统。 按启动按钮后,传送带A运行,阀门执行器直到光电开关PS检侧到物体停止。同...
阅读更多 -
欧姆龙plc定时器指令大全
电气技术
欧姆龙plc定时器指令大全 1、延时通定时器指令 图示延时通定时器(SD)。梯形图中各输入输出端功能为: S起动端,S7的定时器采用跳边沿起动; TV设定值端,用于输入定时器的设定值...
阅读更多
点击排行
室内风扇电机和霍尔元件的检测