电气技术
电气技术
-
手动星三角接线图降压启动
电气技术
手动星三角接线图降压启动 星三角降压启动,就是以改变电动机绕组接法,来达到降压启动的目的。启动时,由主接触器将电源给三角形接法的电动机的三个首端,由星点接触器将三角...
阅读更多 -
3/2断路器主接线图及的优缺点
电气技术
3/2断路器主接线图及的优缺点 3/2接线特点: 500KV变电所在高压系统中一般担负汇集电能、重新分配负荷、输送功率等多重任务。因此它是高压输电系统中的重要地位非常关键。目前我...
阅读更多 -
三相电机改单相接线图
电气技术
把三相电机改单相电机的方法: 小功率三相电机可改为单相电机,但功率要变小一点,A相作相线,C相作零线,B相接电容,电容回出接A相线,假若倒转,AB对换即可。ABC是任意设的。...
阅读更多 -
三相电表采集器接线图
电气技术
三相电表采集器接线图 从左到右分别为:A相电流进,A相火线电压,A相电流出;B相电流进,B相火线电压,B相电流出;C相电流进,C相火线电压,C相电流出;零线(A,B,C公用零线)...
阅读更多 -
连续点动混合正反转控制线路图
电气技术
连续点动混合正反转控制线路图 按下SB1按钮,KM(接触器)线圈得电,常开触点吸合,主线路通电,电机正转,由于控制线路有个自锁,所以这个按钮只要按一下,电机就会连续正转。...
阅读更多 -
电压互感器VV接线的特点
电气技术
电压 互感器 VV接线的特点 vv接线方式适用于中性点不 接地 或经消弧线圈接地的系统中。它的优点是既可以节省一台单相电压互感器,又可减少系统中的对地励磁电流,避免产生过电压...
阅读更多 -
正泰热继电器与接触器连接图片
电气技术
正泰热继电器与接触器连接图片 JZC4系列接触器式继电器主要用于交流50Hz或60Hz、额定工作电压至660V及直流额定电压至220V的继电器控制、信号传递、隔离放大等电路中,作接通、分断、...
阅读更多 -
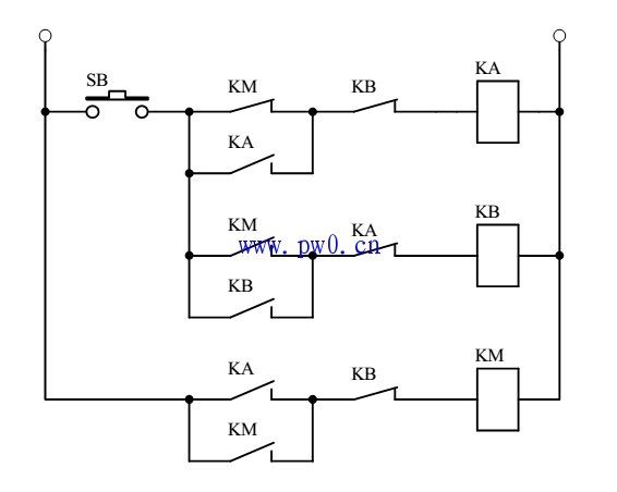
单按钮电机启停控制电路图讲解
电气技术
单按钮电机启停控制电路图讲解 第一次按下SB时: 第一回路,线圈KA吸合并通过常开触点KA自锁; 第二回路,常闭触点KA断开保持线圈KB断电; 第三回路,由于常开触点吸合KA的闭合线圈...
阅读更多 -
两个单开控制楼梯灯的接法
电气技术
两个单开控制楼梯灯的接法 一个对联开关后面有三个接线口,标有:1、2、3、标法不一样也有的为:A、B、C、还有:L、L1、L2等。这个都不重要。我们主要是知道如何接线。双联开关肯...
阅读更多 -
电动机热继电器保护电路图
电气技术
电动机热继电器保护电路图 热继电器存在不易克服的下述缺点:双金属片受热弯曲过程中,热量的传递需要较长的时间,因此,热继电器不能用作短路保护,而只能用作过载保护。对电...
阅读更多
点击排行
室内风扇电机和霍尔元件的检测