电气技术
电气技术
-
24v开关电源接线图和方法
电气技术
24v开关电源接线图和方法 开关电源(Switching Mode Power Supply),是一种高频化电能转换装置。其功能是将一种形式的电能转换为另一种形式的电能。如图所示开关电源的右边接点中,下面...
阅读更多 -
三相电机改成220伏的电机
电气技术
三相电机改成220伏的电机 如果电机(三相电机)在380伏时为星形接法的,只要改为三角形接法就可以用在三相220伏下使用。如果在单相220伏下使用还要加接电容。能改为220V三相电源。...
阅读更多 -
24v三根线接近开关接线图
电气技术
24v三根线接近开关接线图 NPN型,是输出负极信号,图上的电阻表示负载。是表示当感应到接近物体时,黑线和负极是导通的,负载的另一端连接到+12V至+24V,负载通电工作。当配合PLC使...
阅读更多 -
双速异步电动机改变转速接线方法
电气技术
双速异步电动机改变转速接线方法 双速异步电动机改变转速可采用改变绕组的接线方法来实现。如下图所示的电路接线图中,KM1为电动机三角形连接接触器,KM2、KM3为双星形连接接触器...
阅读更多 -
电力拖动控制线路图大全
电气技术
电力拖动是指用 电动机 拖动生产机械的工作机构使之运转的一种方法。它包括电源,电动机,控制设备,传动机构。要想机械完成一定的工艺,就要求电动机按工艺要求完成不同的旋...
阅读更多 -
两台三相异步电动机定时交替工作控制电路接线
电气技术
两台三相异步电动机定时交替工作控制电路接线图 接触器KM1和KM2分别控制电动机Ml和M2。控制要求是:电动机M1工作确定的时间后,停止工作,且电动机M2开始工作; M2工作确定的时间后,...
阅读更多 -
相序继电器工作原理以及接线图
电气技术
相序继电器工作原理以及接线图 将电源ABC三相分别对应相序保护器的进线端(一般都用黄绿红或ABC标识)。继电器输出端根据你的线路要求接常闭或是常开端子。相序继电器在线路正常...
阅读更多 -
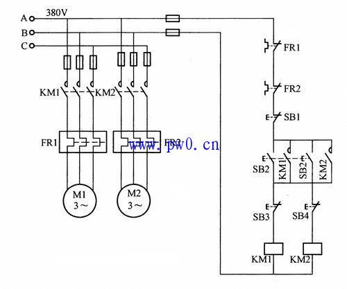
两台电动机同时启动后一停一运行控制电路接线
电气技术
两台电动机同时启动后一停一运行控制电路接线图 如下图所示按下起动按钮SB2,由于SB2是一只同轴双常开按钮,因此接触器KM1、KM2线圈同时得电并自锁,主触点闭合,Ml、M2同时起动并...
阅读更多 -
电动卷闸门电机正反转控制电路图
电气技术
电动卷闸门 电机 正反转控制 电路图 电机电动卷闸门正反转电路图:中间可使用 继电器 ,有一个总开关控制启动,停止。在又行程开关控制正反转。...
阅读更多 -
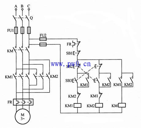
三个接触器控制电动机正反转接线图
电气技术
三个接触器控制电动机正反转接线图 在电动机容量较大,并且重载下进行正反转切换时,往往会产生很强的电弧,容易造成相间短路。为避免此情况发生,在正反转电路中增加了一个接...
阅读更多
点击排行
室内风扇电机和霍尔元件的检测