电气技术
电气技术
-
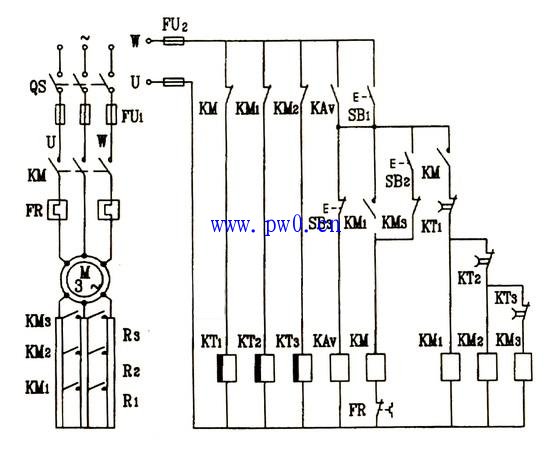
频敏变阻器启动线绕转子异步电动机控制线路图
电气技术
应用频敏变阻器启动线绕转子异步电动机的控制线路如下图所示,其启动过程如下:先合上电源开关QS后: 按下启动按钮SB1,接通接触器KM1,将电动机接上电源,转子电路串入频敏变阻...
阅读更多 -
三相电机自动往返行程控制电路图
电气技术
三相电机自动往返行程控制电路图 万能铣床,要求工作台在一定范围内能自动往返运动,以便实现对工件的连续加工,提高生产效率。这就需要电气控制线路能对电动机实现自动正反转...
阅读更多 -
异步电动机电路相量图
电气技术
异步电动机电路相量图 根据折算后的电动势、磁动势方程式,将定、转子绕组的各物理量用相量表示,画成相量图,如右图1所示。可以清晰的观察和分析电机各物理量间的相位关系,...
阅读更多 -
三相绕线转子电动机串联电阻启动控制电路图
电气技术
三相绕线转子电动机串联电阻启动控制电路图 工作原理是:合上电源开关QS后,时间继电器KT1、KT2余KT3接通,它们的延时闭合的常闭触点立即断开,使KM1,KM2,KM3暂时不会接通,以便电...
阅读更多 -
电动机手动行程位置控制原理图说明
电气技术
工厂车间里的行车常采用这种线路。下图是行车运动示意图,行车的两头终点处各安装一个行程开关SQ1和SQ2,将这两个位置开关的动断触头分别串接在正转控制电路和反转控制电路中。...
阅读更多 -
电动机点动控制及互锁控制电路详解
电气技术
电动机 点动控制及互锁控制电路详解 点动单向运行时,控制线路要求:手动按下按钮时,电动机开始运行;手松开按钮时,电动机停止运转。 上图中,两个交流 接触器 的辅助动分触...
阅读更多 -
手动控制补偿器降压启动控制电路图
电气技术
手动控制补偿器降压启动控制电路图其工作原理如下: 当手柄扳到停止位置时,装在主轴上的动触头与两排静触头都不接触,电动机处于断电停止状态;当手柄向前推到启动位置时,动...
阅读更多 -
按钮、按触器双重互锁正反转控制原理图讲解
电气技术
按钮、按触器双重互锁正反转控制原理图讲解 如下图所示为按钮、按触器双重互锁的正反转控制线路这种线路是在按钮互锁的基础上,又增加了接触器互锁,故兼有两种互锁控制一线路...
阅读更多 -
日光灯测量电机转差率方法
电气技术
日光灯测量电机转差率方法 日光灯是一种闪光灯,当接到50Hz电源上时,灯光每秒闪亮100次,人的视觉暂留时间约为十分之一秒左右,故用肉眼观察时日光灯是一直发亮的,我们就利用日...
阅读更多 -
接触器控制补偿器三相电动机降压启动控制线路
电气技术
接触器控制补偿器三相电动机降压启动控制线路图 如图所示为按钮、接触器控制补偿器的三相电动机降压启动的控制线路图。线路的工作原理如下:先合上电源开关QS: 降压启动:按下...
阅读更多
点击排行
室内风扇电机和霍尔元件的检测