电路图
电路图学习线性放大555电路图信号产生稳压电路图开关电源电路电池电源电路综合电源电路传感器电路图消费电子电路遥控电路图音视频电路控制电路图电机控制电路DIY电路图光电电路图医疗安防电路图
-
电话计时器电路图
电路图
电话计时器电路如下图所示,电话计时器,以1分钟或3分钟为一个计时单位,能自动从电话接通起开始计时,用10个发光二极管跳跃显示时间的长短。该计时器电路简单、调式容易,适合...
阅读更多 -
电子灭蝇器的电路图
电路图
电子灭蝇器利用加在电网上的高压脉冲电压击毙触网的苍蝇。使用时网内设下诱饵以吸引苍蝇,对所有飞到灭蝇网上的苍蝇均能予以杀灭。电子灭蝇器电路如图所示,ICl时基集成电路...
阅读更多 -
0~1小时定时器电路图
电路图
0~1小时定时器,由555构成1小时之内定时器,J为线圈阻抗212ΩIRC MR312C继电器,或电流小于200mA的12V继电器。图中参数,延迟时间为3~58分钟。如果要得到其它定时范围,可改变R2和C1的值。...
阅读更多 -
显像管过压保护电路图
电路图
由于显像管内各极之间的距离很小,加上制作工艺上的某些原因,在显像管的阳极上加入一万多伏高压后,阳极与其它电极之间产生跳火现象。为了消除这种现象,有些电视机采用了显...
阅读更多 -
低耗定时器电路图
电路图
低耗定时器利用定时器集成电路LM122,可以给出在两个定时周期之间电源耗电等于零的电路。晶体管Q1在两个定时周期之间截止,所以没有电流消耗。当5V或更高的触发脉冲到来时,接通...
阅读更多 -
光控电子电位器的电路图
电路图
一种很有趣的光控电子电位器的电路图,它可以应当在功放音量调节上。...
阅读更多 -
微秒~1小时定时器电路图
电路图
微秒到1小时定时器电路如下图所示,该电路采用高输入电阻场效应管输入级运算放大器3140,可使555定时器定时范围增加到100倍。选择比值R3/R2,可以改变倍增系数。延迟时间T=[(R2+R3)...
阅读更多 -
热敏电阻温度控制电路图
电路图
热敏电阻温度控制电路图...
阅读更多 -
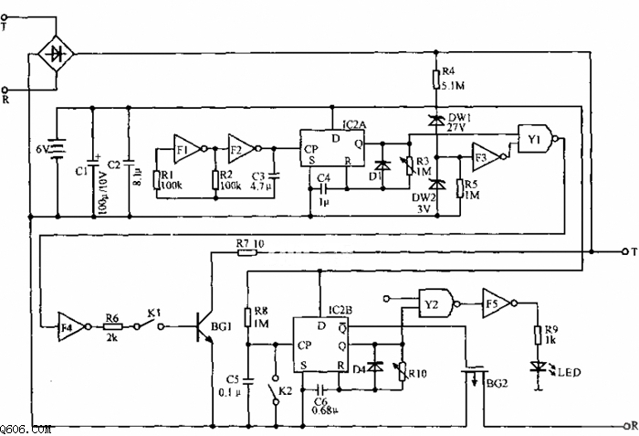
电话线窃听保护电路图
电路图
新型电话线路保护器电路如下图所示,电话机的接线在T'、R'两端,当有人盗用外线,BG1导通,T'、R'间电压仅为2V,使盗打失败。盗打挂机后保护器自动复位。当用户通话时,按下K,若...
阅读更多 -
低电压继电器驱动电路图
电路图
常常因为电源电压低于继电器的吸合电压而使其不能正常工作,事实上,继电器一旦吸合,便可在额定电压的一半左右可靠地工作。因此,可以在开始时给继电器一个启动电压使其吸合...
阅读更多
点击排行
多功能吊扇遥控调速电路
