PLC技术
PLC技术
-
自动灌装生产线的上位监控系统中的按钮
PLC技术
HMI 上组态的按钮与接在 PLC 输入端的物理按钮的功能是相同的,主要用来给 PLC 提供开关量输入信号,通过 PLC 的用户程序控制生产过程。这样,整条生产线的控制既可以通过控制面板中...
阅读更多 -
自动灌装生产线的上位监控系统中的开关
PLC技术
HMI 上组态的开关与接在 PLC 输入端的物理开关的功能是相同的,主要用来给 PLC 提供开关量输入信号,通过 PLC 的用户程序控制生产过程。这样,整条生产线的控制既可以通过控制面板中...
阅读更多 -
S7-300/400 PLC定时器指令
PLC技术
S7-300/400 PLC 提供了多种型式的定时器,定时器的语句表指令如表 3-21 所示,梯形图指令与操作数如表 3-22 所示。不同类型定时器的编号是统一的,如 CPU314 为 TO ~ T127 (共 128 个),究...
阅读更多 -
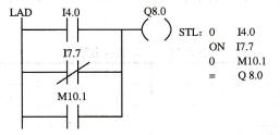
线圈指令置位指令、复位指令
PLC技术
置位/复位指令也是一种输出指令。使用置位指令时,如果 RLO=1 ,则指定的地址被置为 1 ,而且一直保持,直到被复位为 0 。使用复位指令时,如果 RLO=1 ,则指定的地址被复位为 0 ,...
阅读更多 -
STEP 7寄存器间接寻址
PLC技术
寄存器间接寻址的特点是通过地址寄存器寻址。 S7 中有两个地址寄存器: AR1 和 AR2 ,地址寄存器的内容加上偏移量形成地址指针,指向操作数所在的存储单元。 寄存器间接寻址有两种...
阅读更多 -
PLC触点指令“与”(A)、“与非”(AN)
PLC技术
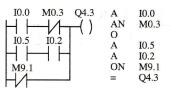
A:“ 与 ” 指令适用于单个常开触点串联,完成逻辑 “ 与 ” 运算。 AN:“ 与非 ” 指令适用于单个常闭触点串联,完成逻辑 “ 与非 ” 运算。 如图 3-14 所示,触点串联指令也用于串联...
阅读更多 -
RLO操作指令
PLC技术
可用表 3-20 中的指令来直接改变逻辑操作结果位 RLO 的状态。 表 3-20 对 RLO 的直接操作指令 如图 3-27 中 LAD (1) ,设 IO.O 与 IO.1 均为闭合,则 RLO 中应为 1 ,但经 NOT 指令后, RLO 中变为...
阅读更多 -
PLC触点指令“或”(O)、“或非”(ON)
PLC技术
O:“ 或 ” 指令适用于单个常开触点并联,完成逻辑 “ 或 ” 的运算。 ON:“ 或非 ” 指令适用于单个常闭触点并联,完成逻辑 “ 或非 ” 运算。 如图 3-15 所示,触点并联指令也用于一...
阅读更多 -
S7-300/400PLC立即读
PLC技术
立即读可以不经过过程映像区的处理,直接读出外设输入地址的信息,例如 16 点的输入模块设定的地址为 10 ,地址位于过程映像输入区,通常情况下使用输入地址标识符 “I” 查询输...
阅读更多 -
PLC触点指令电路块的串联与并联
PLC技术
电路块的串、并联电路如图 3-16 、图 3-17 所示。触点的串、并联指令只能将单个触点与其他触点电路串、并联。逻辑运算时采用先“与”(串联)后“或”(并联)的规则,例如 (IO.O...
阅读更多
点击排行
PLC编程的基本规则
