PLC技术
PLC技术
-
S7-1500 PLC硬件系统设计中组态模块类型
PLC技术
根据工艺要求、 I/O 点数及网络类型等方面选择满足要求的具体模块类型,并在硬件组态的过程中对模块参数进行设置,使其实现需要的功能。 由于 PLC 模块在出厂时带有预置参数,对...
阅读更多 -
S7-1500 PLC的安全模块
PLC技术
SIMATIC S7 -1500 F 安全模块是 S7 - 1500 PLC 家族中的一员,它除了拥有 S7 -1500 所有特点外,还集成了安全功能,支持到 SIL3 安全完整性等级,其将安全技术轻松地和标准自动化无缝集成在一...
阅读更多 -
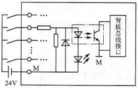
S7-300 PLC数字量输入模块的输入电路
PLC技术
数字量输入模块用于连接外部的机械触点和电子数字式传感器,例如光电开关和接近开关等。数字量输入模块将来自现场的外部数字量信号的电平转换为 PLC 内部的信号电平。输入电流...
阅读更多 -
S7-1500 PLC硬件系统设计中CPU模块的属性
PLC技术
在设备视图中用鼠标单击 CPU 模块,随后在监视窗口的属性标签页中可以看到 CPU 模块的属性视图。为详细浏览属性参数,可单击监视窗口右上角的“浮动”图标 ,将属性视图弹出,如...
阅读更多 -
S7-1500 PLC的硬件配置
PLC技术
S7 - 1500 PLC 自动化系统需要按照系统手册的要求和规范进行安装,安装前需要依照安装清单检查是否准备好系统中所有硬件,并按照配置要求安装导轨、电源、 CPU 或接口模块以及 I/O 模...
阅读更多 -
STEP 7数字量输入模块的参数设置
PLC技术
输入 / 输出模块的参数在 STEP7 的硬件组态工具中设置,设置完成后,应将参数下载到 CPU 。从 STOP 模式转换为 RUN 模式时, CPU 将参数传送到每个模块。 在 SIMATIC 管理器中,选中某个...
阅读更多 -
S7-1500 PLC硬件系统设计中I/O模块的属性
PLC技术
在硬件组态界面中,双击某个 I/O 模块,在监视窗口区域的属性标签页上,将显示该模块的属性。在该属性窗口中,可以对 I/O 模块的参数进行配置。这些参数主要包括常规信息、 I/O 通...
阅读更多 -
S7-1500 PLC的硬件安装
PLC技术
S7 -1500 本机系统和 ET200MP 分布式 I/O 系统的所有模块都是开放式设备,需要安装在外柜、控制柜或电气操作区中,采用水平安装可在最高 60 ℃的环境温度下使用;采用垂直安装可在最高...
阅读更多 -
STEP 7的数字量输出模块
PLC技术
SM 322 数字量输出模块用于驱动电磁阀、接触器、小功率电动机、灯和电动机起动器等负载。数字量输出模块将内部信号电平转化为控制过程所需的外部信号电平,同时有隔离和功率放大...
阅读更多 -
S7-1500 PLC硬件系统设计中建立PC与PLC的连接
PLC技术
对 S7-1500 PLC 下载硬件组态或程序,需要建立 PC 与 PLC 的连接。由于 S7 -1500 CPU 都具有 PN 端口,因此建立 PC 与 S7 -1500 PLC 的连接通常使用工业以太网来实现。 首先使用网线(如 IP 软线)...
阅读更多
点击排行
PLC编程的基本规则
