PLC技术
PLC技术
-
PLC的工作原理过程
PLC技术
尽管 PLC 是在继电器控制系统基础上产生的,其基本结构又与微型计算机大致相同,但是其工作过程却与二者有较大差异。 PLC 的工作特点是采用循环扫描方式,理解和掌握 PLC 的循环扫...
阅读更多 -
PLC的循环扫描工作过程
PLC技术(1) CPU 自检阶段 CPU 自检阶段包括 CPU 自诊断测试和复位监视定时器。 在自诊断测试阶段, CPU 检测 PLC 各模块的状态,若出现异常立即进行诊断和处理,同时给出故障信号,点亮 CPU 面板...
阅读更多 -
PLC的扫描周期
PLC技术PLC 每一次循环扫描所用的时间称为扫描周期或工作周期。 PLC 的扫描周期是一个较为重要的指标,它决定了 PLC 对外部变化的响应时间,直接影响控制信号的实时性和正确性。在 PLC 的一...
阅读更多 -
PLC的输入/输出映像寄存器
PLC技术可编程控制器对输入和输出信号的处理采用了将信号状态暂存在输入 / 输出映像寄存器中的方式。由 PLC 的工作过程可知,在 PLC 的程序执行阶段,即使输入信号的状态发生了变化,输入...
阅读更多 -
PLC的输入/输出单元简介
PLC技术
输入 / 输出单元是 PLC 与外部设备连接的接口。根据处理信号类型的不同,分为数字量(开关量)输入 / 输出单元和模拟量的输入 / 输出单元。数字量信号只有“接通”(“ 1 ”信号)...
阅读更多 -
PLC的输入/输出滞后
PLC技术PLC 以循环扫描的方式工作,从 PLC 的输入端信号发生变化到 PLC 输出端对该输入变化做出反应,需要一段时间,这种现象称为 PLC 输入 / 输出响应滞后。扫描周期越长,滞后现象就越严重...
阅读更多 -
PLC的电源简介
PLC技术PLC 配有一个专用的开关式稳压电源,将交流电源转换为 PLC 内部电路所需的直流电源,使 PLC 能正常工作。对于整体式 PLC ,电源部件封装在主机内部,对于模块式 PLC ,电源部件一般采...
阅读更多 -
S7-1500 PLC产品概述
PLC技术S7-1500 自动化系统是西门子工业自动化集团在 S7 - 300 和 S7 - 400 系统的基础上进一步开发的自动化系统,于 2013 年正式推出。该系列专为中高端设备和工厂自动化设计,不仅具有卓越的系...
阅读更多 -
S7-1500 PLC组成
PLC技术
S7 -1500 自动化系统中主要包括导轨、电源、 CPU 及 I/O 模块。系统外观与西门子的 S7 - 300 PLC 相似,如图 1-10 所示。 CPU 是 S7 -1500 PLC 的核心,主要执行用户程序。广义的 I/O 模块包括信号...
阅读更多 -
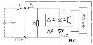
C200Hα系列PLC的直流输入单元
PLC技术
1) DC 输入单元 ID211 DC 输入单元电路如图 4-11 所示。在电路中使用了多一倍的发光二极管,目的是使输入电路对电源极性不敏感。 DC 输入单元的参数见表 4-1 。 图 4-11 ID211 单元的输入电...
阅读更多
点击排行
PLC编程的基本规则
