PLC技术
PLC技术
-
S7-1500 PLC的数字量输入/输出模块
PLC技术
数字量输入 / 输出模块包括数字量输入模块、数字量输出模块和数字量输入 / 输出模块。 具体数字量模块的型号和性能参数见表 2-6~ 表 2-10 。 表 2-6 数字量输入模块( 35 mm 宽) 表 2-...
阅读更多 -
C200Hα系列PLC的组-2高密度I/O单元
PLC技术
在需要大量输入点数时,就应该使用高密度 I/O 单元 ID111 ( 64 点)、 ID216 ( 32 点)或 ID217 ( 64 点)。例如,做一个 24 键的键盘,这就需要一个 32 点的高密度输入单元。 高密度输入...
阅读更多 -
S7-1500 PLC的模拟量输入/输出模块
PLC技术
模拟量输入 / 输出模块包括模拟量输入模块、模拟量输出模块和模拟量输入 / 输出模块。具体模拟量模块的型号和性能参数见表 2-11~ 表 2-13 。 表 2-11 模拟量输入模块 表 2-12 模拟量输出...
阅读更多 -
C200Hα系列PLC的高密度晶体管输出单元
PLC技术
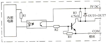
高密度晶体管输出单元 OD218 ( 32 点)、 OD219 ( 64 点)具有高的响应速度 (ON 响应时间 0. 1ms , OFF 响应时间 0.4ms) 和熔丝熔断检测电路,可以应用于需要大量输出的场合,如推动数码管...
阅读更多 -
S7-1500 PLC的通信模块
PLC技术
通信模块为 S7 -1500 PLC 提供通信接口,主要包括 CM 通信模块和 CP 通信处理器模块。 CM 模块通常进行小数据量通信,而 CP 模块通常进行大量数据交换。通信模块主要有 CM PtP 点对点接口...
阅读更多 -
C200Hα系列PLC的TIL兼容电平32点输入单元ID501
PLC技术
TTL 兼容输入单元可以接受 TTL 电平的信号,该单元工作电压为 5V DC ,开启 (ON) 电压为 3V ,断开 (OFF) 电压为 1V ,完全兼容 TTL 电平。该单元的电路如图 4-28 所示。 图 4-28 TTL 兼容输入单...
阅读更多 -
S7-1500 PLC的工艺模块TM
PLC技术
工艺模块中具有硬件级的信号处理功能,可对各种传感器进行快速计数、测量和位置记录,支持定位增量式编码器和 SSI 绝对值编码器。 S7 - 1500 PLC 的工艺模块目前有 TM Count 计数模块和...
阅读更多 -
C200Hα系列PLC的TTL兼容电平32点输出单元OD501
PLC技术
TTL 兼容输出单元可以输出 TTL 电平的信号,该单元工作电压为 5V DC ,输出低电平电压最大 0.4V ,完全兼容 TTL 电平,响应时间小于 0.3ms 。该单元的电路如图 4-29 所示。本单元上的 DIP 开...
阅读更多 -
C200Hα系列PLC的TTL兼容输入/输出单元
PLC技术
TTL 兼容输入 / 输出单元 MD501 、 MD115 将输入电路和输出电路集中到一个单元中,并可以在静态输入 / 输出或动态输入 / 输出之间切换。该单元可以在键盘扫描,数码管扫描等电路中使用...
阅读更多 -
C200Hα系列PLC的专用继电器区域
PLC技术
专用继电器 (SR) 区域包括标志位和控制位,用来监视 PLC 的运行,产生时钟脉冲及显示错误信号。 SR 区域的字地址为 236 ~ 299 。 SR 区域分为两个部分,第一部分的字地址范围是 236 ~...
阅读更多
点击排行
PLC编程的基本规则
